Как спланировать электрику в квартире. Необходимые материалы
- Как спланировать электрику в квартире. Необходимые материалы
- Ремонт в квартире с чего начать последовательность во вторичке. Этапы ремонта квартиры вторички, с чего стоит начать
- Как правильно провести проводку в доме схема для новичка. Как правильно развести проводку в частном доме своими руками: пошаговая инструкция монтажа для новичка, схемы подключения
- Какую проводку лучше использовать в частном доме. Выбор сечения кабеля для квартиры, дома, дачи
- Сколько стоит сделать проводку в квартире с нуля. Прайс-лист на электромонтажные работы
- Как узнать, какая проводка в квартире. Как найти проводку под стеной?
- Как сделать лофт в обычной квартире. Самая подробная инструкция: как сделать и оформить стены в стиле лофт своими руками?
- Видео простыми словами о том, как устроена домашняя, квартирная электропроводка, общая схема
Как спланировать электрику в квартире. Необходимые материалы

По составленным схемам посчитайте необходимое количество выключателей и розеток. Не забудьте, что под каждый из этих коммутационных аппаратов нужен подрозетник, если планируется прокладка скрытой электропроводки в квартире. Также посчитайте, сколько понадобится распределительных коробок.
Чтобы посчитать количество провода, лучше всего намеченные на схеме коммутационные аппараты и распределительные коробки перенести на реальные стены. Затем выполнить разметку стен, то есть в прямом смысле слова нарисовать между ними пути пролегания проводов, при помощи рулетки всё измерить и посчитать общее количество. Имейте в виду, что разводка электропроводки в квартире выполняется строго по вертикальным и горизонтальным линиям, никаких поворотов наискосок быть не должно.
Хотелось бы дать один совет. Если полностью с нуля делается разводка электрической проводки в трёхкомнатной квартире площадью около 60-70 м2, то лучше покупать провод целой заводской бухтой, в которой 100 м. В магазинах это считается оптовой продажей и на неё будет скидка 10 %, причём если вы купите 98 м – это не опт, скидки не будет, а возьмёте на 2 м больше и прилично сэкономите.

По опыту профессиональных электриков для электропроводки квартиры из трёх комнат приобретайте 100 м трёхжильного провода сечением 1,5 мм2(это будет прокладка осветительной проводки в квартире) и 100 м трёхжильного провода сечением 2,5 мм2для запитки розеток.
Мощные электроприборы, типа водонагревателя или варочной панели, как правило, запитываются отдельной линией от вводного распределительного щитка через отдельный автомат. Для них лучше проложить трёхжильный провод сечением 4-6 мм2.
Ещё один важный нюанс, не забудьте посчитать провод с запасом на разделку жил в местах соединений и подключений коммутационных аппаратов. Принято оставлять запас провода на розетки, выключатели, светильники не менее 20 см. Если вы планируете в дальнейшем опустить потолки, то запас провода для светильников увеличьте до 50 см. На сборку распределительного щитка также оставляйте запас провода около 50 см.
Ремонт в квартире с чего начать последовательность во вторичке. Этапы ремонта квартиры вторички, с чего стоит начать
При выполнении отделочных работ важно придерживаться этапов ремонта квартиры, это касается и вторички. С чего начать, в какой последовательности выполнять работы, как не испортить готовый результат — ответы на эти и многие другие вопросы лучше получить до ремонта.
С чего начать ремонт во вторичке
Ремонт во вторичке начинают с выполнения демонтажных работ. Поверхности последовательно очищаются от старых отделочных материалов: сначала стены, затем — потолок, в последнюю очередь пол. Если планируется замена межкомнатных дверей, их нужно демонтировать на данном этапе.
После того как старая отделка удалена, осуществляют замену окон и входной двери (при необходимости). На основании составленного проекта демонтируются и возводятся перегородки, заделываются и создаются проёмы для арок и межкомнатных дверей. Следует запомнить, что в первую очередь всегда выполняются самые грязные работы.
Другие этапы и их последовательность
Остальные работы тоже выполняются в строгой последовательности.
Выравнивание и грунтовка стен
Чтобы иметь возможность красиво расставлять мебель и использовать понравившиеся отделочные материалы, следует выровнять стены. Особенно это актуально для старых домов, где перепады могут достигать нескольких миллиметров.
Не стоит забывать и о грунтовке, которая обеспечивает лучшее сцепление отделочных материалов со стенами и потолком. Как правило, она наносится в несколько слоёв, каждый из которых должен хорошенько просохнуть.
Выравнивание пола
Если старый пол не устраивает, его следует выровнять. Здесь можно пойти по одному из двух путей: выполнить стяжку или использовать самовыравнивающийся раствор. Первый способ отнимает больше сил, времени и, как правило, требует привлечения профессионалов.
Отделка стен
В продаже есть много отделочных материалов на любой вкус: краска, обои, панели, декоративная штукатурка, плитка и др.
Прежде чем использовать то или иное покрытие, нужно изучить нюансы работы с ним. Так, например, панели укладываются от угла, а плитку перед укладкой нужно замачивать в воде.
Монтаж напольного покрытия
Здесь, как и в предыдущем случае, можно выбирать любые материалы: плитку, линолеум, ковролин, ламинат, паркетную доску и т. д. Чтобы покрытие ложилось хорошо, пол должен быть идеально ровным.
Отделка потолка
Если потолок неровный, можно выполнить стяжку, подготовив его тем самым к дальнейшей побелке или покраске. Однако многие упрощают себе жизнь, устанавливая натяжные и гипсокартонные потолки. Такие конструкции скрывают любые несовершенства и быстро монтируются, избавляя хозяев жилья от многочисленных хлопот.
Заключительный этап
На последнем этапе проводятся оставшиеся работы: монтируются межкомнатные двери, укладываются плинтуса и т. д. Если во время ремонта были допущены какие-то ошибки, их лучше устранить сразу. Желательно поручить это бригаде, выполнявшей отделочные работы.
Какие-то работы могут исключаться из списка в зависимости от состояния жилья, поставленных задач и финансовых возможностей. Однако в целом последовательность их выполнения не меняется.
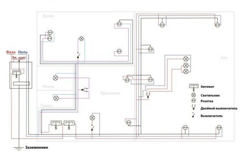
Как правильно провести проводку в доме схема для новичка. Как правильно развести проводку в частном доме своими руками: пошаговая инструкция монтажа для новичка, схемы подключения

Разводка электрики в частном доме — сложный и ответственный процесс. Однако при наличии соответствующих навыков все этапы работ можно выполнить самостоятельно. При укладке кабелей необходимо соблюдать правила безопасности. В противном случае возрастает риск аварийных ситуаций.

Особенности монтажа электропроводки в частном доме
Проводить электричество на даче или в коттедже начинают сразу после возведения стен и крыши. На этом этапе пользуются услугами электрика или выполняют работы своими руками.
Второй вариант экономит время, однако для его реализации нужно уметь составлять схемы, владеть инструментом и строго соблюдать технику безопасности.
Главным требованием является надежность проводки.
Энергия к частным домам подводится от трансформаторной подстанции. Напряжение поступает по подземным или воздушным линиям. На первом этапе необходимо рассчитать суммарное энергопотребление. От этого зависит выбор типов кабелей, коммутационных и защитных приборов.
Основные требования к электропроводке в частном доме
Проектирование проводки выполняют с учетом норм СНиП, ПУЭ.
К ним относятся такие требования:
- Распределительный щиток с автоматом размещают на расстоянии 1,5-1,7 м от пола.
- Кабели укладывают горизонтально или вертикально. Наличие скошенных линий недопустимо.
- Провода отводят от распределительных коробок, розеток и защитных автоматов под прямым углом. То же правило касается поворотов линий. Размещать кабели по диагонали нельзя.
- От проемов до проводов оставляют расстояние более 15 см.
- Розетки монтируют на высоте 30-50 см от пола. Для выключателей это расстояние увеличивают до 80-90 см.
Какой способ прокладки электричества выбрать
Кабели в коттедже можно укладывать наружным или скрытым методом.
Открытая
Такой способ применяют в деревянных зданиях или при оформлении интерьеров в ретростиле. Проект предусматривает укладку кабелей в коробах или фиксацию керамическими изоляторами.
В последнем случае применяют специальные виды проводов. Потребуются накладные розетки и выключатели. При открытой укладке на схеме отображают места монтажа изоляторов.

Скрытая
В домах, построенных из современных материалов, проводку прячут в стенах. Скрытый метод — сложный в исполнении, поскольку требует штробления. В подготовленные каналы укладывают кабели.
После этого провода фиксируют быстро затвердевающим раствором. Розетки и выключатели должны быть врезными. Проектом предусматривается встраивание подрозетников.

Почему необходима схема электропроводки
Чертеж является основой будущей электропроводки. С его помощью определяют места пролегания кабелей, установки розеток, осветительных систем. По готовому чертежу делают разметку поверхностей.
В дальнейшем схема может пригодиться при ремонте вышедших из строя компонентов сети.
Создание проекта — сложная задача, ее стоит поручить специалистам.
От правильности схемы зависит безопасность жильцов дома.
Составление схемы электропроводки
Чертеж создают на основе плана жилого здания. Существуют установочные, функциональные и структурные схемы. Они должны содержать все компоненты электрической сети.
Электрическая
Этот документ определяет количество компонентов проводки и типы связей между ними. Электрическая схема дает детальное описание характера работы сети и подключаемых к ней приборов.

Структурная и функциональная
Первый вид схем отражает основные части сети, их назначения и способы соединения. Функциональный вариант используется для разъяснения процессов, протекающих в группах электропроводки.
Объединенная
Проект определяет отдельные компоненты сети и способы их соединения на месте эксплуатации.
Монтажная
Такие схема используется для разметки мест установки приборов. Она помогает рассчитать количество расходных материалов и проводов.

Какую проводку лучше использовать в частном доме. Выбор сечения кабеля для квартиры, дома, дачи
Статья о том, как правильно выбрать сечение провода или кабеля
Во время электромонтажных работ, а именно, на стадии прокладки проводов, кабелей, «Особо продвинутые» заказчики интересуются, почему мы прокладываем, к примеру, на розетки,сечением 2.5 мм кв, когда вполне достаточно 1.5 мм кв, исходя из потребляемой мощности… В этой статье мы попробуем разобраться с сечением проводов, прокладываемых для различных потребителей.
Итак, от того, насколько верно вы подберете сечение прокладываемых проводов, во многом зависит и дальнейшая работоспособность потребителей.
Электропроводка в доме , даче или квартире начинается с вводного кабеля. На этот самый кабель ложиться вся основная нагрузка, которая есть в доме. Для того, чтобы узнать какого сечения необходим вводной кабель, нам нужно посчитать все электроприборы, которые могут работать в доме -,, утюг, микроволновая печь, кондиционеры и т.д. В итоге мы узнаем суммарную мощность, которую потребляют электроприборы в вашем доме. Далее, умножьте эту цифру на коэффициент 0,75. Вот эта самая циферка нам и нужна.
Обязательно посмотрите:
Для более правильного подсчета потребляемой мощности, вам поможет таблица, где указаны приборы и мощность, которую они потребляют.
| Название электроприемника | Приблизительная мощность, Вт | Название электроприемника | Приблизительная мощность, Вт |
| телевизор | 300 | кондиционер | 1500 |
| принтер | 500 | проточный нагреватель воды | 5000 |
| компьютер | 500 | бойлер | 1500 |
| фен для волос | 1200 | дрель | 800 |
| утюг | 1700 | перфоратор | 1200 |
| электрочайник | 1200 | электроточило | 900 |
| вентиляторы | 1000 | дисковая пила | 1300 |
| тостер | 800 | электрорубанок | 900 |
| кофеварка | 1000 | электролобзик | 700 |
| пылесос | 1600 | шлифовальная машина | 1700 |
| обогреватель | 1500 | циркулярная пила | |
| СВЧ-печь | 1400 | компрессор | |
| духовка | газонокосилка | 1500 | |
| электроплита | 3000 | сварочный агрегат | 2300 |
| холодильник | 600 | водяной насос | 1000 |
| стиральная машина | 2500 | электромоторы | 1500 |
| освещение |
Ну а далее, как говориться, дело техники. Для подбора кабеля, который удовлетворит требованиям, существует другая таблица, где указаны сечение кабеля, мощность и ток, которые способны выдержать эти самые кабеля.
В данной таблице приведены значения для медных проводов кабелей, так как алюминиевые провода, на сегодняшний день, при монтаже электропроводки, практически никто не применяет.
Таблица выбора сечения кабеля и провода
Далее нам необходимо рассчитать сечение проводов и кабелей для розеточных групп и групп освещения. Если посмотреть на таблицу или просчитать из простых формул для расчета сечения проводов, то станет ясно, что, к примеру, для групп освещении вполне подойдет провод сечением 0.5 мм кв, а для розеточных групп достаточно провода сечением 1.5 мм кв.
Но, как правило, для освещения применяют провода диаметром не менее 1.5 мм кв, а для розеточных групп используют провода сечением не менее 2.5 мм кв, если конечно же не требуется питание приборов, суммарная мощность которых не выходит за пределы, которые способен выдержать данный провод. Связано это с тем, что провода, и неважно с какого металла они сделаны, подвержены коррозии, различным механическим нагрузкам как во время монтажа, так и во время эксплуатации.
К примеру, согласно таблице, при напряжении в сети 220 В, провод сечением 2.5 мм кв способен выдержать ток до 27 А(5.9 кВт). Для защиты проводов и потребителей, в данном случае, в качестве защиты устанавливают автомат, максимальный ток срабатывания которого должен быть не более 25 А.
При проектировании электропроводки, необходимо учитывать и длину магистрали, которая будет питать конечного потребителя. Также, согласно таблице, можно определить сечение и для остальных видов нагрузки. Также, во время проектирования, а затем и монтажа электропроводки, не стоит забывать и о селективности автоматов.
В любом случае, электричество незримо и не прощает ошибок и безалаберного отношения к работе. Доверяйте профессионалам!
О выборе марки кабеля читайте здесь - Какой кабель выбрать для проводки в квартире
Кроме тока и мощности проектировщики при выборе сечения кабеля используют ряд других важных параметров. Об этом читайте здесь: Как выбрать сечение кабеля - советы проектировщика
Почему алюминий постепенно изымается из обихода при монтаже электроустановок? Чем он плох и опасен? Ответ здесь: Почему алюминиевый кабель нельзя использовать в электропроводке
Медные и алюминиевые провода соединять не рекомендуется. Но иногда их соединяют. Как это делают?
Сколько стоит сделать проводку в квартире с нуля. Прайс-лист на электромонтажные работы
На странице указаны цены на услуги электрика в Санкт-Петербурге. Наша компания выполняет электромонтажные работы любой сложности в квартире, частном доме или офисе. Мы работаем по договору и сотрудничаем, как с юридическими, так и физическими лицами.
При условии заказа услуги у нас вызов электрика на дом не оплачивается. Опытные мастера имеют все необходимые допуски и оснащены профессиональным оборудованием для проведения монтажных и ремонтных работ любой сложности. С целью повышения безопасности при работе наши специалисты используют маски и перчатки, а также проходят ежедневный медицинский осмотр.
Объем работ оценивается мастером индивидуально. Полный набор услуг, сроки выполнения и сумма под ключ записываются в официальном договоре.
Установка розеток
| Название вида работ | Ед. изм. | Стоимость, руб. |
| Установка розеток и выключателей света | шт. | 130 |
| Установка розеток | шт. | 130 |
| Установка наружной розетки | шт. | 130 |
| Установка внутренней розетки | шт. | 180 |
| Установка розеток с заземлением | шт. | 200 |
| Установка компьютерной розетки RJ45 (интернет) | шт. | 180 |
| Установка телевизионной розетки (ТВ) | шт. | 180 |
| Установка телефонной розетки RJ11, RJ12, RJ45 | шт. | 180 |
| Установка розетки для электроплиты | шт. | 350 |
| Установка электроточки скрытой проводки (без высверливания чашечки) | шт. | 175 |
| Установка электроточки наружной | шт. | 250 |
| Установка подрозетников | шт. | 80 |
| Установка распаечной коробки наружной | шт. | 400 |
| Установка распаечной коробки внутренней | шт. | 550 |
| Ремонт розетки | шт. | 280 |
| Ремонт выключателя | шт. | 350 |
| Замена розетки | шт. | 130 |
| Монтаж механизма внутренней розетки | шт. | 180 |
| Замена механизма внутренней розетки | шт. | 250 |
| Установка двойной розетки в один подрозетник | шт. | 250 |
| Демонтаж розетки | шт. | 80 |
| Устройство отверстий в стене для подрозетников в гипсе, ГКЛ | шт. | 210 |
| Устройство отверстий в стене для подрозетников в кирпиче | шт. | 280 |
| Устройство отверстий в стене для подрозетников в бетоне | шт. |
Как узнать, какая проводка в квартире. Как найти проводку под стеной?
Довольно часто электрические провода тщательно скрываются от посторонних глаз в стенах и других покрытиях, что сделано в целях электробезопасности. Как прозвонить проводку в квартире, если вы не знаете, где именно она проходит? Для поиска проводов можно воспользоваться несколькими способами:
- Использование прибора. Есть множество приборов, при помощи которых можно найти скрытую проводку в стене, под плиткой, обоями, деревом и любыми другими покрытиями. Покупка этого прибора не ударит по карману и не будет лишней – прибор может неоднократно пригодиться. Для нахождения проводов следует лишь использовать устройство по инструкции. Зачастую достаточно водить детектором по стене и смотреть на реакцию прибора, которая указывает близость провода.

- Радиоприемник. Настройте простой радиоприемник на частоту 100 кГц и водите антенной по стене в месте предполагаемого залегания кабеля. При приближении к нему радио начнет издавать более громкий и неприятный белый шум – именно он указывает на близость залегания электрокабеля

- Микрофон. Подключите его к магнитофону или другому воспроизводящему звук устройству, после чего водите микрофоном по стенам – в месте залегания проводки микрофон будет издавать треск.
Когда вы точно знаете, где залегает ваша электросеть, можно разбираться в том, как прозвонить проводку в квартире. Для этого вам потребуется специальный прибор – мультитестер, а также немного расчетов.
Как сделать лофт в обычной квартире. Самая подробная инструкция: как сделать и оформить стены в стиле лофт своими руками?
23 фото
Отделка стен в стиле лофт – одно из самых популярных направлений в дизайне интерьера на сегодняшний день. В данной статье мы разберемся, какие для этого используются материалы, каким образом можно украсить стены, а также, как самостоятельно сделать имитацию кирпичной кладки.
нужно , прежде всего, правильно подобрать материалы . Ниже мы рассмотрим самые популярные из них.
Бетон
Несмотря на то, что бетон мало у кого ассоциируется с уютом, этот материал может послужить хорошей основой для стиля лофт . Выглядеть он может совершенно по-разному. Различается как фактура, так и цветовые вариации. Будто бы поврежденные бетонные стены добавляют интерьеру атмосферы бунтарства, а гладкая поверхность призывает к обустройству в духе минимализма.

Бетонные стены
Кирпич
Кирпич самый традиционный способ оформления лофта. Необязательно, чтобы все стены были из кирпичной кладки или ее имитации, для придания нужного эффекта достаточно одной, скомбинированной, например, со штукатуркой. Цвет стоит выбирать, исходя из своих предпочтений. Красный кирпич смотрится весьма уютно, белый визуально делает пространство больше, а черный матовый идеально подходит для поклонников всего нестандартного.
Дерево
Индустриальный стиль «дружит» и с деревянным покрытием. Однако в его использовании следует быть осторожным: слишком много дерева создаст атмосферу не современного городского жилища, а загородного дома в духе датского хюгге. Поэтому необходимо искать баланс в интерьере между этим материалом и более традиционным в оформлении лофта.
Металл
Слишком много металла в интерьере делает его слишком промышленным и абсолютно не уютным. Поэтому данный материал лучше использовать в качестве составной части проекта . Хорошим решением будет поместить металлические элементы на потолке и стенах, например, трубы или балки. Это подарит вам отголосок духа большого города.

Металлический короб на потолке
Штукатурка
Штукатурку следует использовать в качестве нейтрального фона. Выбирайте цвета, которые не привлекают к себе слишком много внимания – белый или серый, а также ряд других холодных оттенков. Данный материал подчеркнет фактурные элементы в интерьере помещения , не беря на себя роль основного акцента.

Декоративная штукатурка отлично подойдет для отделки стен гостиной

Светлый оттенок на стене будет придавать комнате изысканности
Обои
Обои для оформления лофта используют достаточно редко. Обычно они представляют собой имитацию ключевых элементов в оформлении данного стиля. Производители делают акцент на гранж , предлагая обои с изображением покореженного металла или бетона, покрытого трещинами.

Фотообои в лофте
Читайте в отдельной статье про.
Как сделать имитацию кирпичной кладки своими руками
Имитация кирпичной стены – модный способ внутренней отделки. Сделать ее можно самостоятельно, следуя поэтапной инструкции.

Имитация кирпичной кладки
Вам понадобятся:
- Грунтовка.
- Штукатурка.
- Плиточный клей
- Шпатель или специальные перчатки для нанесения раствора.
- Картон или линолеум для создания заготовки.
- Шкурка.
- Узкий малярный скотч.
- Акриловая краска.
- Кисточка или поролоновая губка.
Разметка
Прежде всего, нужно подготовить стены к дальнейшим строительным работам . Очистите поверхность: снимите обои, выровняйте стену, при помощи наждачной бумаги сгладьте поверхность.
После этого сделайте модель кирпича. Для этого можно использовать либо кусок линолеума, либо картона. Стандартный размер - 25×6.5 сантиметров. На эскизе необходимо отметить швы и обозначить отступы размером в полтора сантиметра по всему периметру модели с наружной стороны. Сделайте еще один шов посередине, чтобы получить имитацию кирпича, состоящего из двух половинок.

Модели кирпичиков можно сделать из обычного картона
ВАЖНО: начинать выкладку нужно снизу – от пола, постепенно двигаясь вверх. Это облегчит вам работу.
Снизу необходимо отступить примерно 10 сантиметров. После этого простым карандашом обведите первый угловой «кирпич». Начинать с этой области нужно, потому что сделать точную разметку на ней сложнее всего. Затем переместитесь к краям, постепенно переходя к центру стены.
Грунтовка
Следующим шагом в создании имитации кирпичной стены будет. Взять можно любое средство, за исключением бетоноконтактной. Разводится она обыкновенным способом, указанным на этикетке. При помощи валика нанесите раствор на стену. Сделать это необходимо для того, чтобы имитация была крепкой и четкой. Не беспокойтесь о разметке: она останется на прежнем месте.

Грунтовка стен
Нанесение раствора
В местах стыка «кирпичиков» наклейте малярный скотч. Рекомендуется начинать с горизонтальных линий, а затем переходить к вертикальным. Наклейку нужно делать внахлест.
ВАЖНО! Защитите пол при помощи старых газет или пленки.
Раствор для имитации кирпичей готовится из штукатурки и плиточного клея в пропорции один к одному.
С помощью шпателя нанесите получившийся раствор на стену. Также вы можете делать это руками, однако не забудьте надеть специальные строительные перчатки. Толщина слоя должна быть в пределах пяти миллиметров.

