Схемы электрики в квартире. Зачем делать проект электропроводки в квартире
- Схемы электрики в квартире. Зачем делать проект электропроводки в квартире
- Схемы электрики. Составление схемы разводки электропроводки
- Как правильно провести проводку в доме схема для новичка. Как правильно развести проводку в частном доме своими руками: пошаговая инструкция монтажа для новичка, схемы подключения
- Схемы электрики в частном доме. Пример составления схемы электропроводки в частном доме
- Схемы электрики автомобилей. Символы электрических схем автомобилей
- Сколько стоит сделать проводку в квартире с нуля. Выполненные заказы на Профи
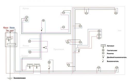
- Видео как разделить по группам электропроводку в квартире или доме,схемы и примеры,энергомаг
Схемы электрики в квартире. Зачем делать проект электропроводки в квартире
Чтобы обеспечить безопасность, провода дополнительно укладываются в гофрированный шланг ПВХ, который занимает намного больше пространства. Уложить правильно в ряд 10-15 кабелей и раскинуть их по квартире – это искусство. И справиться с задачей может только профессиональный электрик, действующий по схеме.
Кто-то скажет, что электрик – перфекционист, ответим, что работа велась по проекту. Второй момент — это необходимость отделки и маскировки коммуникаций. После этого разобраться с расположением большого количества проводников будет невозможно, без частичной порчи ремонта.
Когда у застройщика хранится план, проблем подобного рода не возникает.
План электропроводки квартиры – пример. Электрик учитывает пожелания клиента по расположению бытовых и нагревательных приборов в помещениях, после чего начинает составление схемы. Его задача – разбить кабеля на группы так, чтобы они не пересекались, не мешали друг другу, а также была возможность распределить нагрузку в сети равномерно. Электрик продумывает систему защиты (некоторые устройства требуют заземления и наличия отдельно вынесенных УЗО), чтобы проводка соответствовала требованиям безопасности.
Схема электрической проводки включает в себя следующие элементы:
- Распределительный щиток, который может быть внутриквартирным или общим.
- Электрический счетчик для контроля над расходом электроэнергии.
- Автоматические устройства защиты, отвечающие за прекращение подачи питания при возникновении утечек, ударов током человека, коротких замыканиях.
- Кабели и провода, с помощью которых осуществляется разводка до электроточек.
- Выключатели и розетки для управления освещением и подключения бытовой техники.
Схемы электрики. Составление схемы разводки электропроводки
Разводка электрики в квартире начинается с составления плана разводки сети. Монтаж электропроводки по имеющемуся расчетному чертежу выполнять гораздо проще и целесообразнее по ряду преимуществ:
- схема электросети позволит заранее спланировать необходимое оборудование и средства;
- наличие схемы позволит точно определить мощность входного ввода;
- чертеж дает понимание монтажному персоналу о потенциально пожароопасных узлах проводки для принятия мер по их перепланировании или принятия дополнительных мер безопасности;
- схема позволит выполнить монтаж планово, с проверкой завершения полного цикла.
Примеры схем для однокомнатной квартиры
Электротехники считают, что если суммарная нагрузка на электросеть квартиры не превышает показатель 25 А, то есть возможность и даже целесообразность по стоимости выполнить планировку сети одним контуром на один автомат. Такой способ – типичная типовая схема прошлого, когда в контур включены были осветительные элементы с силовыми розетками . Сегодня от этих приемов отошли и монтаж ведут по независимым отдельным контурам. Пример проводки однокомнатной квартиры приведен на рисунке 3.

Рис. 3. Схема электроснабжения однокомнатной квартиры
На чертеже видно грамотное распределение нагрузки сети однокомнатной квартиры на несколько отдельных контуров со своими УЗО. Такая система обеспечит безаварийную работу проводи и корректную работу оборудования без посадки напряжения.
Для двухкомнатной квартиры
Отличие чертежа для работ по монтажу снабжения двухкомнатной квартиры от однокомнатной состоит в большем количестве контуров в плане разводки. Здесь возможны некоторые компоновки. На рисунке 4 приведен пример такой схемы.
Рис. 4. Схема электроснабжения двухкомнатной квартиры
На примере наглядно видны несколько контуров освещения, а также отдельно выделенные защищенные цепи для кухни, комнат и другого мощного оборудования.
Для трехкомнатной квартиры
На рисунке 5 приведен пример чертежа, который часто применяют для квартир с количеством комнат три и более, где из одного распределительного щита будет выходить уже довольно большое количество проводников.
Рисунок 5. Пример схемы электроснабжения для трехкомнатной квартиры
Особенность данного варианта – это отдельные контуры, заключенные в отдельные блоки со своей защитой. В данном примере 2 блока (25 А и 40 А соответственно). Такой способ позволяет разделить зоны кабельной продукции, делает систему более удобной и практичной.
Как правильно провести проводку в доме схема для новичка. Как правильно развести проводку в частном доме своими руками: пошаговая инструкция монтажа для новичка, схемы подключения

Разводка электрики в частном доме — сложный и ответственный процесс. Однако при наличии соответствующих навыков все этапы работ можно выполнить самостоятельно. При укладке кабелей необходимо соблюдать правила безопасности. В противном случае возрастает риск аварийных ситуаций.

Особенности монтажа электропроводки в частном доме
Проводить электричество на даче или в коттедже начинают сразу после возведения стен и крыши. На этом этапе пользуются услугами электрика или выполняют работы своими руками.
Второй вариант экономит время, однако для его реализации нужно уметь составлять схемы, владеть инструментом и строго соблюдать технику безопасности.
Главным требованием является надежность проводки.
Энергия к частным домам подводится от трансформаторной подстанции. Напряжение поступает по подземным или воздушным линиям. На первом этапе необходимо рассчитать суммарное энергопотребление. От этого зависит выбор типов кабелей, коммутационных и защитных приборов.
Основные требования к электропроводке в частном доме
Проектирование проводки выполняют с учетом норм СНиП, ПУЭ.
К ним относятся такие требования:
- Распределительный щиток с автоматом размещают на расстоянии 1,5-1,7 м от пола.
- Кабели укладывают горизонтально или вертикально. Наличие скошенных линий недопустимо.
- Провода отводят от распределительных коробок, розеток и защитных автоматов под прямым углом. То же правило касается поворотов линий. Размещать кабели по диагонали нельзя.
- От проемов до проводов оставляют расстояние более 15 см.
- Розетки монтируют на высоте 30-50 см от пола. Для выключателей это расстояние увеличивают до 80-90 см.
Какой способ прокладки электричества выбрать
Кабели в коттедже можно укладывать наружным или скрытым методом.
Открытая
Такой способ применяют в деревянных зданиях или при оформлении интерьеров в ретростиле. Проект предусматривает укладку кабелей в коробах или фиксацию керамическими изоляторами.
В последнем случае применяют специальные виды проводов. Потребуются накладные розетки и выключатели. При открытой укладке на схеме отображают места монтажа изоляторов.

Скрытая
В домах, построенных из современных материалов, проводку прячут в стенах. Скрытый метод — сложный в исполнении, поскольку требует штробления. В подготовленные каналы укладывают кабели.
После этого провода фиксируют быстро затвердевающим раствором. Розетки и выключатели должны быть врезными. Проектом предусматривается встраивание подрозетников.

Почему необходима схема электропроводки
Чертеж является основой будущей электропроводки. С его помощью определяют места пролегания кабелей, установки розеток, осветительных систем. По готовому чертежу делают разметку поверхностей.
В дальнейшем схема может пригодиться при ремонте вышедших из строя компонентов сети.
Создание проекта — сложная задача, ее стоит поручить специалистам.
От правильности схемы зависит безопасность жильцов дома.
Составление схемы электропроводки
Чертеж создают на основе плана жилого здания. Существуют установочные, функциональные и структурные схемы. Они должны содержать все компоненты электрической сети.
Электрическая
Этот документ определяет количество компонентов проводки и типы связей между ними. Электрическая схема дает детальное описание характера работы сети и подключаемых к ней приборов.

Структурная и функциональная
Первый вид схем отражает основные части сети, их назначения и способы соединения. Функциональный вариант используется для разъяснения процессов, протекающих в группах электропроводки.
Объединенная
Проект определяет отдельные компоненты сети и способы их соединения на месте эксплуатации.
Монтажная
Такие схема используется для разметки мест установки приборов. Она помогает рассчитать количество расходных материалов и проводов.

Схемы электрики в частном доме. Пример составления схемы электропроводки в частном доме
Схему будущей электропроводки составляют на основе плана частного дома. Она состоит из двух частей, электрической и монтажной. Основные элементы набрасываются схематично, «для себя».
- Электрическая схема . Схема электропроводки в частном доме показывает способ включения в цепь энергопотребителей и их количество.
- Монтажная схема . Определяет места монтажа устройств. Эти данные помогут подсчитать количество необходимых кабелей и дополнительных расходных материалов.
К основным элементам сети относят провода, розетки, выключатели, счетчики, предохранители и реле, распределительные коробки, кроме того:
- точку ввода внешнего силового кабеля;
- УЗО;
- точки подключения бытовых приборов высокой мощности;
- потолочные и настенные осветительные приборы.
Началом электроснабжения дома является электрощит. К нему извне подводится питающий провод (чаще по воздушной линии), подающий однофазный или трехфазный ток.
Схемы электрики автомобилей. Символы электрических схем автомобилей
Символы электрических схем автомобилей, показанные в табл. « Схематические символы по EN 60617 «, представляют собой подборку стандартизированных символов, подходящих для автомобильной электрики. Но, за редким исключением, они соответствуют стандартам Международной электротехнической комиссии (IEC).
Таблица схематических символов электрических схем автомобилей по EN 60617





Европейский стандарт «Графические символы для схем» EN 60617 соответствует международному стандарту IEC 617. Он издан в трех официальных версиях (английской, французской и немецкой). Стандарт содержит элементы символов, указательные символы и, самое главное, символы электрических схем для следующих областей:
- Общие области применения часть 2;
- Проводники и соединительные устройства часть 3;
- Пассивные компоненты часть 4;
- Полупроводники и электронные лампы часть 5;
- Производство и преобразование электроэнергии часть 6;
- Коммутационная и контрольная аппаратура и защитные устройства часть 7;
- Измерительные приборы, лампы и сигнальные устройства часть 8;
- Телекоммуникационное передающее, коммутационное и периферийное оборудование часть 9;
- Телекоммуникации, передающее оборудование часть 10;
- Архитектурные и топографические монтажные схемы часть 11;
- Двоичные элементы часть 12;
- Аналоговые элементы часть 13.
Требования к символам электрических схем
Символы электрических схем-это мельчайшие элементы для упрощенного графического представления электрического устройства или его части.
Символы электрических схем показывают принцип работы устройства и функциональные связи технического порядка. Символы электрических схем не учитывают форму и размеры устройства, и положение соединений на нем. Обособленное представление на принципиальной схеме возможно лишь абстрактно.
Символы электрических схем должны обладать следующими свойствами: они должны легко запоминаться, быть легко понятными, несложными в графическом отображении и логично вписываться в классификационную группу.
Символы электрических схем состоят из элементов и указательных символов. Вот несколько примеров указательных символов: буквы, цифры, символы, математические знаки и символы, символы единиц измерения и характеристические кривые.
Если электрическая схема становится слишком детальной из-за представления внутренних схем устройства (рис. а , « Электрическая схема и схематический символ генератора с регулятором » ) или если не все детали цепи нужны для идентификации функции устройства, то электрическую схему для этого особого устройства можно заменить одним символом (без внутренней схемы) (рис. Ь , « Электрическая схема и схематический символ генератора с регулятором » ).
В случае интегральных схем, обеспечивающих высокую степень экономии пространства (это синонимично высокому уровню интеграции функций в компоненте) предпочтительно упрощенное изображение схемы.
Изображение символов электрических схем
Символы схем отображаются без эффекта физического количества, т.е. в обесточенном и механически не активированном состоянии. Рабочее состояние символа схемы, отличающееся от этого стандартного изображения (базового состояния), обозначается двойной стрелкой (рис. « Рабочее состояние схематического символа отличное от базового » ).
Символы схем и соединительные линии (электрические провода и механические соединения) имеют одинаковую ширину линии.
Во избежание ненужных изгибов и пересечений соединительных линий,
можно поворачивать символы схем с шагом 90° или отображать их в зеркально отраженном виде, при условии, что их значение от этого не изменится. Направление непрерывных линий можно выбирать произвольно. Исключениями являются символы схем для резисторов (там символы соединения разрешаются только на узких сторонах) и соединения для электромеханических приводов (где символы соединения разрешаются только на широких сторонах, рис. « Оконечные нагрузки » ).
Соединения могут изображаться и с точкой, и без точки. Если в месте пересечения нет точки, значит нет электрического соединения. Точки соединения на устройствах большей частью не отображаются специфически. Точка соединения, штекер, гнездо или резьбовые соединения обозначаются символами схем лишь в точках, необходимых для монтажа и снятия. Другие места соединения стандартно обозначаются точками.
Контактные элементы с общим приводом обозначаются на монтажной схеме таким образом, чтобы при активации они следовали направлению движения, установленному механическим соединением (- — -) (Рис. « Механические связи у многопозиционного выключателя » ).
Сколько стоит сделать проводку в квартире с нуля. Выполненные заказы на Профи
15240 заказов электриков за 12 месяцев
Отзыв 5+
Сергей , грамотный мастер , дали его номер по рекомендации , оказалось мастер работает , через профи ру . Сергей Попросил сделать заявку, что бы зафиксировать работы договорном , это для меня было только плюсом , материал закупал сам , работа выполнена на отлично . Монтаж электропроводки в двух
комнатной квартире с установкой электро щита .
— Кирилл МастерМаксим Смирнов
Монтаж интернет-кабеля., Заменить проводку, проложить проводку с нуля., Провода нет., Протяжённость интернет-кабеля: 10 м., Установить розетки: 45 шт., Установить выключатели: 10 шт., Установить: люстру., Установить: электрощит по рекомендации специалиста., Модулей на щите: до 24 шт., Демонтировать старые розетки и выключатели, проштробить стены, заделать штробы, проложить кабель-канал.
Отзыв 5+
Рекомендую Максима! Очень хороший и грамотный мастер! Делали электрику в новостройке. Всё подробно рассказал, подсказал, что, где и как сделать. Заменил всю "сопливую" проводку от застройщика. Также учёл наш небольшой бюджет. В итоге сделал всё качественно и красиво
— Андрей МастерАндрей Яновский
Монтаж интернет-кабеля., Проложить проводку с нуля, проложить проводку от подъездного щита к квартирному., Провода нет., Протяжённость интернет-кабеля: 150 м., Установить: накладной электрощит., Модулей на щите: до 24 шт., Потребуется: проложить кабель-канал, проштробить стены, заделать штробы.
Отзыв 5+
Нельзя не оставить отзыв о работе Андрея, хоть я и не люблю писать разные отзывы. Очень рекомендую его всем, кому нужна в квартире или в доме качественная электрика, и при этом вы не хотите переплачивать. Этот специалист знает, и что очень важно - любит своё дело. В этой профессии он уже очень
давно, знает все тонкости и может подсказать что и как лучше сделать, если вы сами не до конца понимаете что хотите, что бывает довольно часто. Нам Андрей сделал электрику в трёшке с нуля. Нюансов и пожеланий с нашей стороны было масса. Всё было учтено. Про то, как проходила работа, я вообще молчу. Для меня было откровением, что электрика - это будет неделя, полная пыли и шума на весь подъезд. Адские условия. Повезло, что мы обратились именно к Андрею. Он и посоветовал повесить объявление о шумных работах, и разрулил ситуацию с нервными соседями. Кстати, материалы Андрей покупал и привозил сам - дешевле, чем мы могли найти. Короче, мы получили электрику фирменного качества без фирменных переплат
— Сергей МастерБорис Лёгкий
23 декабря 2020, м. Волгоградский проспект
Монтаж интернет-кабеля., Проложить проводку с нуля., Провод в наличии., Протяжённость интернет-кабеля: 7 метров., Установить розетки: 20 шт., Установить выключатели: 8 шт., Установить: встроенный электрощит., Модулей на щите: до 24 шт., Заделать штробы, проштробить стены, демонтировать старую проводку, демонтировать старые розетки и выключатели.