Монтаж счетчика электроэнергии. Что нужно знать перед монтажом счетчика
- Монтаж счетчика электроэнергии. Что нужно знать перед монтажом счетчика
- Монтаж счетчика электроэнергии своими руками. Установка электросчетчика и модульного оборудования
- Монтаж счетчика электроэнергии 5-60а 1кл.точности 3 фазы Меркурий 231 at-01. Счётчик Меркурий 231 – модификации и обзор прибора
- Монтаж счетчика электроэнергии на опоре. Щит на столбе – установка, сборка, монтаж
- Монтаж счётчика электроэнергии в щиток. Как правильно установить электросчетчик
- Какой счётчик электроэнергии лучше поставить в частном доме. Какие бывают счетчики
- Монтаж счётчика электроэнергии на столбе. Правила установки счетчика электроэнергии на столбе
- Видео установка однофазного электросчетчика на даче своими руками - соединение автоматов в щитке
Монтаж счетчика электроэнергии. Что нужно знать перед монтажом счетчика
Установка двухфазного, трехфазного электросчетчика в квартире или самого распространенного однофазного производится по пп. 1.5.27–1.5.38 ПУЭ.


Требования к счетчику:
- наличие техпаспорта, сертификата;
- не пропущенные сроки поверки;
- внесение в Госреестр. Номер выбит на корпусе и прописан в паспорте;
- пломбы с клеймом:
- подтверждающая поверку. Изделие поступает в продажу уже с такой пломбой;
- от энергосбыта. Ставится при подключении к электросети;
- прибор подбирается строго по параметрам сети, главные характеристики: номинал и фазность;
- от вертикали не должно быть отклонения больше чем на 1 градус;
- температурный режим, условия среды соответствуют характеристикам по ТД;
- для частных домов класс точности — не хуже 2, для общедомовых и коллективных приборов — не хуже 1.

Подключение электросчетчика и схемы для разных видов схожие, нюансы незначительные, например, на трехфазных приборах есть клеммы под 3 фазы и рабочий ноль.
Нововведения
Обеспечение объектов электричеством, как и установка учетных устройств, осуществляется по нормам ПУЭ. Как это было до ПП N 554: пользователь выбирал и покупал электросчетчик, узнавал у местного энергосбыта, работают ли они с такой моделью (рекомендованный перечень на сайте учреждения). Далее, устанавливали и подключали двух-, трех-, однофазный счетчик своими руками или пользуясь услугами специалистов и не позднее 1 мес. подавали документы на регистрацию организации, которая поставляет энергию.
Теперь же все плановые процедуры, включая покупку, замену, монтаж, контроль сроков проверок, делает энергосбыт. Кроме того, постепенно обычные изделия буду заменять «умными» приборами, автоматически отправляющими дистанционно показатели и данные о своем состоянии.

Стоимость установки, самого изделия и манипуляций по ПП N 554 для пользователя условно нулевая. То есть раньше в законе было закреплено, что покупку и содержание счетчика оплачивали его владельцы, теперь — поставщик услуг, но цену сервиса включили в тариф. По сути плата теперь в составе ежемесячных абонентских взносов. Позитивный момент: гражданин не обязан следить за состоянием прибора, за периодичностью поверок, проверок, он должен лишь обеспечить доступ.
Но процедуры дополнительные, не входящие в минимальный перечень, осуществляемые по внеплановому порядку, могут быть платными, например, замена аппарата до истечения сроков поверки и эксплуатации.
Можно ли менять электросчетчики самому
По п. «ц» ПП N 554 и по п. 139 Р.Х Основных положений… от 4 мая 2012 г. N 442 «О функционировании розничных рынков эл. энергии… » демонтаж электросчётчиков, допускается только с санкционированием поставщиком электроэнергии, по своему усмотрению запрещено это делать.

Самостоятельная установка возможна с разрешения (письменного) энергосбыта по заявлению пользователя. После принятия ПП N 554 такая процедура стала менее актуальной, но она уместная, если гражданин не хочет ждать плановой замены или желает установить многотарифную или лучшую, по его мнению, модель. Теоретически для работ потребуется группа по электробезопасности не ниже 3, но это рекомендационное правило, и его, конечно же, часто не соблюдают. Но о замене надо уведомить поставщика, узнать, опломбирует ли он изделие.
После монтажа не желательно сразу подключать к сети – неправильное подсоединение, тянет за собой штраф, суммы санкций в данной сфере чрезвычайно объемные. Надо подать заявление поставщику о регистрации прибора и осуществить подключение, когда работник учреждения проверит установленный прибор, опломбирует его и поставит на учёт.
Монтаж счетчика электроэнергии своими руками. Установка электросчетчика и модульного оборудования
Согласно ПУЭ, перед прибором учета (счетчиком электроэнергии), должно быть установлено защитное отключающее устройство. Как правило, в большинстве случаев, таким устройством является двухполюсный автоматический выключатель. В схеме подключения счетчика, он выполняет следующие функции:
1. Защита электросчетчика
- от короткого замыкания,
- от возгорания, в следствии превышения допустимой нагрузки, на которую рассчитан счетчик,
- возможность выполнить работы по замене, обслуживанию счетчика
2. Ограничение разрешенной мощности (регулируется номиналом автоматического выключателя)
При необходимости, вы можете более подробно почитать про бытовые автоматические выключатели .
В нашем примере, вводное защитное устройство, будет устанавливаться непосредственно в квартирном щитке, боксе. Так же, в некоторых случаях, оно может быть установлено в этажном щитке, на лестничной площадке. Здесь, основным критерием, является метод и возможность пломбировки.
Пломбировке подлежит все, что находиться в боксе. Если у обслуживающей организации, имеется возможность опломбировать автоматический выключатель, то он монтируется в бокс, если нет, то в этажный щит. Автомат пломбируется специальными наклейками, которые клеятся на винты контактов, сверху и снизу автоматического выключателя. Счетчик, пломбируется пластиковыми или свинцовыми пломбами.
Ну что же, с пломбировкой мы разобрались, вернемся к установке электросчетчика.
Начнем, с монтажа вводного двухполюсного автоматического выключателя. С помощью специальной защелки, имеющийся на задней стенке автомата, устанавливаем его на верхнюю дин рейку.
Более подробно, о подключении автоматического выключателя , можно почитать в соответствующей инструкции.

Следующим этапом, идет установка счетчика электроэнергии.
На его задней стенке, так же как и на автомате, имеется защелка для крепления на дин рейку.

Теперь, монтируем отходящие однополюсные автоматы. В нашем примере, их будет два.

Установка счетчика электроэнергии модульного оборудования завершена, переходим к подключению.
Монтаж счетчика электроэнергии 5-60а 1кл.точности 3 фазы Меркурий 231 at-01. Счётчик Меркурий 231 – модификации и обзор прибора
Многотарифный электросчётчик Меркурий 231 рассчитан на использование с целью учета показателей потребленной электроэнергии при подключении в трёх- или четырёхпроводную электросеть.
Прибор характеризуется наличием импульсного выхода и встроенного инфракрасного порта IrDA, что позволяет считывать эксплуатировать устройство в автономном режиме или с подключением к автоматизированной системе обработки данных.
Технический характеристики
Технические характеристики счётчика Меркурий 231
Срок службы прибора
Качество изготовления и надежность конструкции позволяют эксплуатировать устройство в течение 30-ти лет нормативного срока. Если за первые 3 года службы прибор выйдет из строя по причине заводского брака, при условии соблюдения требований эксплуатации, предусмотрено гарантийное обслуживание, включающее бесплатный ремонт или замену в случае невозможности восстановления.
Межповерочный интервал
Электросчётчик необходимо поверять с периодичностью не менее 1-го раза в 10 лет. Также устройство поверяется на заводе после изготовления. Отметка о поверке должна выполняться в паспортной документации изделия работником, ее проводившим.
Стоимость счётчика
Счётчик стоит около 2500 рублей, если приобретать устройство оптом или заказывать по интернету, стоимость может быть уменьшена. Ценовые характеристики зависят от региона, способа приобретения и тарифов продавца.
Информация на экране
Возможности прибора позволяют отображать на жидкокристаллическом дисплее следующую информацию по учтенной электроэнергии:
- общие данные от начала работы;
- в пределах текущих суток;
- за прошлый день;
- в объеме текущего месяца;
- отдельно по каждому из 11 прошедших месяцев;
- всего от начала года;
- за прошлый год.
Данные выводятся отдельно для каждого тарифа или общим числом.
Кроме показателей по электроэнергии, прибор позволяет получить следующие сведения:
- мгновенные значения мощностных показателей отдельно для каждой фазы и суммарные;
- действующие фазные токи, напряжения и углы между ними;
- частоту электросети;
- мощностные коэффициенты для каждой из фаз.
В журнале событий фиксируется, когда включался и отключался прибор, пропадали отдельные фазы, вскрывался и закрывался корпус, корректировались тарифы, отмечались всплески мощности и других параметров.
Преимущества прибора
Электросчётчик отличается следующими достоинствами:
- надежностью конструкции;
- возможность учета параметров по 4-м тарифам в условиях 16-ти временных зон;
- учетом показателей по нарастающей, вне зависимости от направления электротока;
- наличием защиты от хищения электроэнергии посредством магнита;
- автоматической самодиагностикой с отображением неисправностей и ошибок в работе посредством индикации;
- возможностью управления нагрузкой через внешние цепи;
- широким спектром измеряемых показателей;
- возможностью прямого подключения;
- компактными размерами.

Габаритные размеры счётчика Меркурий 231
Прибор предусматривает возможность фиксации основных параметров в журнале с последующим отображением на внешнем носителе.
Как снять показания
Показания снимаются двумя способами:
- автоматически, сменяясь через заданный промежуток времени по каждому тарифу;
- в ручном режиме, переключением кнопкой.
Для определения затраченного за месяц объема электроэнергии выписываются показатели в начале и конце периода отдельно для каждого тарифа, вычисляется разница и суммируются значения.
Разновидности данного счётчика
Полная маркировка прибора – Меркурий 231AT-01 I. Изделие выпускается в нескольких модификациях, отличаются они лишь исполнением дисплея. В маркировке 231 означает номер модели, А – возможность измерения активной энергии, Т – присутствие встроенного тарификатора, I – наличие инфракрасного порта. Устройство рассчитано на номинальное напряжение 3*220 (400) В, величину базового и предельного тока соответственно 5 и 60 А, классом точности – 1.
Простая модификация 231 АМ – однотарифный счётчик, имеющий электромеханический шестиразрядный счётный механизм.





Установка счётчика
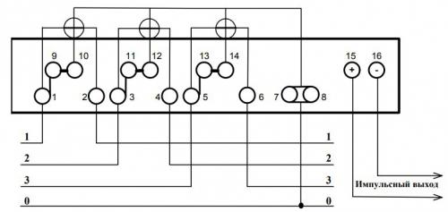
Монтируется энергомер посредством ДИН-рейки. Подключать устройство должен квалифицированный электрик со второй группой электробезопасности. Схема подключения к электросети 220 В следующая:

Схема непосредственного подключения счётчика
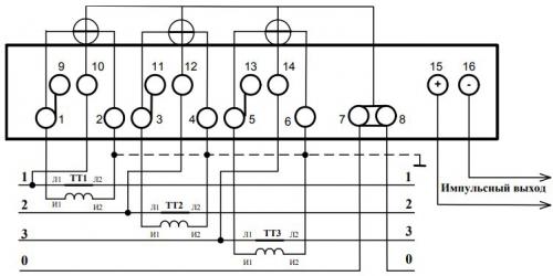
При подключении с использованием трех токовых трансформаторов, необходимо руководствоваться следующей схемой:

Схема подключения счётчика с помощью трёх трансформаторов тока
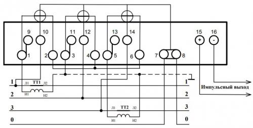
Если токовых трансформаторов два, подключение выполняется по такой схеме:

Схема подключения счётчика с помощью двух трансформаторов тока
Это надежное и многофункциональное устройство гарантирует точность измерения показателей и безаварийную работу в заявленный производителем срок при условии соблюдения правил монтажа, подключения и эксплуатации.
Монтаж счетчика электроэнергии на опоре. Щит на столбе – установка, сборка, монтаж
Для частных домов выбираются модели с напряжением 220В, при этом обязательны крепления на вертикальную поверхность. Стандартных установочных комплектов будет достаточно для фиксации оборудования весом до 50 кг, при этом диаметр опоры может составлять 350 мм максимум.
Правовой вопрос установки вводного щита на опоре
Абонентский отвод можно сделать только после получения разрешения энергоснабжающей организации. Монтаж электрощита на столб выполняется по утвержденному проекту энергосбытом. Нет документальных норм, запрещающих такую установку. Точно так же нет и актов, которые могут предписывать только такой способ монтажа. Однако с точки зрения поставляющей (контролирующей) организации предпочтительнее вынос приборов учета на улицу, так как это позволяет в любой нужный момент считывать показания, даже если хозяева дома отсутствуют.
Монтаж и сборка электрощитков нормируется такими документами: ГОСТ 51321, ГОСТ 51778-2001, ГОСТ Р 51628-2000.
Виды электрических щитов
Электрический щиток является обязательной частью любой распределительной сети. В нем размещаются устройства, необходимые для быстрого аварийного отключения электрического тока, а также защитная автоматика, предупреждающая негативное воздействие перегрузок и коротких замыканий.
Существуют разные виды щитков:
- по внешнему виду – закрытые или полузакрытые (задняя стенка в них не предусмотрена);
- по габаритам – большие шкафы и небольшие боксы;
- по назначению – распределительные, учетно-распределительные и групповые учетно-распределительные.
Поскольку щит электрический на столб устанавливается за пределами помещения, он должен быть в металлическом корпусе и со степенью влагозащиты не менее IP54. Таким образом обеспечивается безопасность и стабильность установленных внутри приборов и всей электросети в целом. На корпусе должна быть маркировка, говорящая о наличии встроенной пыле- и влагозащиты, а также о возможности эксплуатации в температурном диапазоне от -40 до +40 градусов.
Монтаж счётчика электроэнергии в щиток. Как правильно установить электросчетчик

Добрый день, дорогие гости и постоянные читатели сайта «Заметки электрика».
Сегодня я Вам расскажу как правильно произвести установку и монтаж электросчетчика.
Перед тем, как к этому приступать рекомендую прочитать мои следующие статьи: схема подключения счетчика прямого включения в сеть , подключение счетчика через трансформаторы тока , как выбрать электросчетчик , как правильно приобрести электросчетчик .
Установка электросчетчика производится по требованиям нормативного документа ПУЭ 7 издания , согласно раздела про учет электроэнергии.
1. Помещение
Счетчики электрической энергии необходимо устанавливать в сухих помещениях и они должны быть расположены в удобных и доступных местах для их обслуживания. Температура в таких помещениях не должны быть ниже 0°С и выше 40°С .
Если температурный режим трудно организовать, то необходимо предусмотреть утепление в зимний период, например, установить его в утепленный шкаф с возможностью подогрева.
2. Место установки
Электросчетчики разрешено устанавливать в следующих местах:
- на стене
- на панелях и щитах учета
- в шкафах
- в релейных отсеках КРУ (комплектное распределительное устройство)
3. Крепление
Счетчики электроэнергии допускается крепить:
- на металлических щитках
- в пластиковых щитках и боксах (пример установки счетчика в квартирном электрическом щитке )
- на деревянных щитках
4. Высота
Монтаж и установка электросчетчиков производится на высоте от 800-1700 мм от уровня пола, а также желательно на уровне глаз человека — для удобства обслуживания и снятия его показаний. Это весомое доказательство тому, что счетчики ЗАПРЕЩЕНО устанавливать на уличных столбах (опорах) на недосягаемой высоте. Об этом подробнее здесь.

5. Угол наклона
Индукционные счетчики электроэнергии необходимо устанавливать с углом наклона не более 1°С. Если это условие не соблюдать, то возникнет дополнительная погрешность учета электроэнергии .
6. Габаритные размеры шкафов, ниш и щитков
Самое главное условие по габаритным размерам шкафов, ниш и щитков для установки счетчиков электрической энергии:
- легкий и удобный доступ к выводам электросчетчика и трансформаторов тока (если таковы имеются)
- удобная возможность для замены электросчетчика
7. Подключение проводов к электросчетчику
При подключении проводов к счетчику электроэнергии необходимо соблюдать следующие условия:
- цветовая маркировка проводов
- зачищать провода длиной не менее 12 (мм)
8. Коммутационные аппараты
Для быстрой и безопасной замены электросчетчиков напряжением до 0,4 (кВ) необходимо установить перед ними коммутационный аппарат (автоматический выключатель, предохранители) на расстоянии не более 10 метров. Более подробно об этом читайте здесь .


Какой счётчик электроэнергии лучше поставить в частном доме. Какие бывают счетчики
Электрический счетчик — это прибор, который учитывает, сколько электроэнергии вы расходуете. Сколько сжег электричества — столько он и покажет на табло в киловатт-часах. Затем за эти киловатт-часы нужно будет заплатить энергоснабжающей организации по своему тарифу.
Тарифы бывают разные. Во-первых , они зависят от региона. Например, в Москве по однотарифному счетчику придется заплатить 4,87 Р за киловатт-час, а в Истринском районе Московской области — 3,89 Р . Во-вторых , сами счетчики могут иметь разные тарифы. Расскажу об этом подробнее. Тарифы устанавливаются обычно на год, в некоторых регионах с 1 июля, в некоторых — с 1 января.
Однотарифный счетчик все время работает только по одному тарифу. Его показания не зависят от времени суток. Киловатт-час электроэнергии будет стоить одинаково и днем, и ночью.
Самые дешевые однотарифные счетчики даже не имеют дисплея. Показания в таком случае отображаются по старинке — на вращающихся колесиках
Двухтарифный счетчик — это счетчик, где тариф зависит от времени суток. Прибор показывает на экране расход киловатт-часов в двух разных временных интервалах, Т1 и Т2, а также общий расход.
Стандартные временные интервалы:
- Т1 — с 7:00 до 23:00;
- Т2 — с 23:00 до 7:00.
У двухтарифных счетчиков есть дисплей. А еще такой счетчик при желании можно подключить на один тариф, тогда он будет работать как однотарифный
Трехтарифный — такой же счетчик, как и двухтарифный, но временных интервалов у него три:
- Т1 — с 7:00 до 10:00 и с 17:00 до 21:00;
- Т2 — с 23:00 до 7:00;
- Т3 — с 10:00 до 17:00 и с 21:00 до 23:00.
Двухтарифные и многотарифные счетчики имеют дисплеи, на которых показания по разным временным интервалам сменяют друг друга. Затем счетчик показывает общий расход.
Еще у счетчиков есть такие параметры, как номинальный и максимальный токи. Обычная благоустроенная квартира — это не производственное предприятие с большим энергопотреблением. Большинство современных электросчетчиков рассчитано на ток силой от 5 до 60 А.
Если нагрузка будет меньше 5 А — это номинальный ток, — то прибор будет выдавать погрешность и неизвестно, кто от этого выиграет. Если все потребители в квартире будут потреблять больше 60 А — это максимальный ток, — прибор может выйти из строя. Но для обычной квартиры это маловероятно, поэтому на эти параметры можно не обращать внимания.
Монтаж счётчика электроэнергии на столбе. Правила установки счетчика электроэнергии на столбе
Установка счётчика на столбе — это новое требование поставщиков электроэнергии к собственникам частных домов, дач и садовых товариществ.Обосновывают они это простотой проверки показаний, без привлечения жильцов. Однако, для вывода счетчика из помещения требуется соблюдать установленные правила их установки. Стоимость услуги складывается из нескольких составляющих.
Сотрудники электрокомпаний не могут заставить в принудительном порядке произвести. Они могут только порекомендовать, ссылаясь на удобство проверки показаний и способа борьбы с воровством электроэнергии. Последнее слово остается за собственником.
Чтобы монтаж прибора на столб был правильным и качественным, нужно точно соблюдать установленные правила. Запомните их, чтобы в ходе эксплуатации оборудования не возникло неприятностей:
- Счетчик необходимо устанавливать в специальный шкаф, который защищает устройство от влаги и резких изменений температур в межсезонье.
- Столб, к которому вы планируете прикреплять короб, должен иметь большую прочность и жесткость.
- Изолировать или закрепить кабель на вероятных участках повреждения.
- Выбрать вид счетчика, который можно устанавливать вне помещения.
- Подать заявку в организацию для производства монтажа.
На заметку!
Защищать счетчик от погодных факторов крайне важно. При попадании влаги или понижении температуры, прибор начинает работать с перебоями. Он неправильно считает расход электроэнергии, часто не в пользу пользователя.
Для каждой модели температурные режимы для корректной работы указаны в техническом паспорте. Шкаф необходим по нескольким причинам:
- защита прибора от кражи и вандалов — подберите надежные крепления и прочный замок;
- влагозащита;
- теплозащита.
Осматривая столб, для установки оборудования, проверьте конструкцию на прочность и жесткость. Кроме того, он должен быть крепко закреплен в земле.
Порядок установки
После того, как место для установки прибора согласовано с поставщиком электроэнергии, можно приступать к монтажу оборудования. Установку необходимо проводить, придерживаясь «Правил устройства электроустановок». Интервал высоты установки прибора над уровнем земли должен входить в предел от 80 до 170 см. Иногда разрешено устанавливать оборудование на высоте 40 см.
Бывает, что специалисты от энергокомпании крепят электросчетчик на столбе на уровне свыше двух метров, объясняя это защитой от вандализма. Но на таком уровне снимать показания прибора будет неудобно, прежде всего, самим собственникам.
При наличии необходимых навыков и опыта, монтаж можно выполнить своими силами. Но лучше обратиться к электрикам. Установку необходимо выполнять в определенном порядке:
- Произвести отключение электричества сетевой линии, согласно установленным правилам.
- Установить шкаф и счетчик на выбранной высоте, надежно закрепив.
- Подключить входную цепь электротока сначала к защитному автомату, а только после этого непосредственно к счетчику.
- Обустроить заземление для защиты электрических приборов в доме при возникновении замыкания цепи или нарушения фаз.
- Подключить к выходу запланированное количество вводимых автоматов.
- Пробное включение для проверки успешности монтажа.
После завершения работ по монтажу, можно вызывать представителя энергокомпании. Он опломбирует счетчик и поставит его на учет.