Стройка и ремонт

Ваше строительство в наших руках!

Электропроводка в доме своими руками пошаговая. Разбиваем потребителей на группы

08.09.2023 в 15:12
Содержание
  1. Электропроводка в доме своими руками пошаговая. Разбиваем потребителей на группы
  2. Электропроводка в квартире. Следование правилам и требованиям ПЭУ
  3. Электрификация частного дома своими руками. Порядок действий
  4. Проводка в частном доме от а до я. Как правильно развести проводку в частном доме своими руками: пошаговая инструкция монтажа для новичка, схемы подключения
  5. Схема электропроводки в частном доме своими руками. Составление и согласование проекта
  6. Электропроводка в двухкомнатной квартире своими руками. Советы по составлению схемы
  7. Разводка электрики в частном доме. Последовательность работ при разводке электрики в доме
  8. Электропроводка в частном доме схемы. Пример составления схемы электропроводки в частном доме

Электропроводка в доме своими руками пошаговая. Разбиваем потребителей на группы

При планировании схемы электропроводки в деревянном доме, все точки подключения разбиваются на отдельные группы (их часто называют группами потребления). Например, все розетки на первом этаже запитываются от одного автомата, отдельное устройство ставят на осветительные приборы в доме, еще один — на освещение улицы. Если будет использоваться какое-то мощное электрооборудование — бойлер, электрокотел, электроплита и т.п.  — для них желательно провести отдельные ветки электроснабжения и установить персональные автоматы. Отдельные устройства защиты устанавливаются и для электропитания хозяйственных построек (если не хотите тянуть к ним отдельные вводы и устанавливать отдельный счетчик, но только при условии, что мощность всех электроприборов не превышает 15 кВт).

Электропроводка в доме своими руками пошаговая. Разбиваем потребителей на группы

Можно представить схему проводки в деревянном доме в таком виде. Так проще понять, какие устройства и кабели потребуются. Если дописать длину кабелей, можно будет высчитать и метраж кабелей/проводов

С точки зрения безопасности, лучше сделать как можно больше отдельных ветвей электропитания. Это увеличит количество автоматов и увеличит стоимость проекта, но уменьшит количество потенциально опасных мест соединения. Именно в местах отвода проводников чаще всего возникают проблемы: контакты окисляются, нагреваются, затем начинают искрить. Потому лучше количество соединений сделать как можно меньше.

Электропроводка в доме своими руками пошаговая. Разбиваем потребителей на группы

Пример нарисованной на плане схема электропроводки в деревянном доме

И, на последнем этапе, желательно на плане дома нарисовать схему разводки электричества по помещениям. Группы потребителей при этом проще рисовать разными цветами. Так вы сможете более полно представить себе, как будет выглядеть схема электропроводки в деревянном доме, ее будет проще делать своими руками. Например, все может выглядеть так, как на фото ниже.

Электропроводка в квартире. Следование правилам и требованиям ПЭУ

Не стоит экономить на безопасности и если есть возможность, всегда рекомендуется делать выбор в пользу медного провода относительно провода из алюминия.

Медь под квартирную проводку обычно выбирается многожильная, мягкая. В зависимости от предполагаемой нагрузки рассчитывается сечение проводников (не диаметр!).

Суммарная нагрузка (кВт) для квартирного варианта подсчитывается простым сложением мощности всех электроприборов, которые предполагается использовать в быту, с учётом коэффициента:

P = (P1+P2+…Pn)*0,8,

где:

  • P1…Pn — мощность каждого из потребителей электричества в квартире (электроприборов);
  • 0,8 — поправочный коэффициент — считается, что одновременно в квартире может работать только 80% всей техники.

Зная мощность в сумме, по таблице для бытового варианта несложно подобрать нужное сечение (диаметр проводов).

Так как мощность электроприборов бытового применения относительно мала, диаметр проводов без учёта изоляции для монтажа подводки от щитка составляет в среднем не более 2,5-3 мм для алюминия, и 2,0-2,5 мм для меди.

Исключение — квартиры, оборудованные электрическими плитами и другим мощным оборудованием. В любом случае, требуется точно просчитать сечение под нагрузку с небольшим запасом.

Таблица явно показывает разницу в сечении жил применительно к типу проводника (медь/алюминий), что опять же отмечается преимуществом выбора медного провода. Чем меньше сечение, тем тоньше проводник, тем проще его протягивать в канале.

Дополнительная информация о выборе кабеля и провода для организации проводки в квартире представлена в.

Электропроводка в квартире: последование правилам и требованиям ПЭУ

Важно не экономить на безопасности и, если есть возможность, всегда рекомендуется делать выбор в пользу медного провода относительно провода из алюминия.

Медь под квартирную проводку обычно выбирается многожильная, мягкая. В зависимости от предполагаемой нагрузки рассчитывается сечение проводников (не диаметр!).

Суммарная нагрузка (кВт) для квартирного варианта подсчитывается простым сложением мощности всех электроприборов, которые предполагается использовать в быту, с учётом коэффициента:

P = (P1+P2+…Pn)*0,8

где:

  • P - суммарная нагрузка
  • P1, P2, …, Pn - мощность каждого электроприбора

Зная мощность в сумме, по таблице для бытового варианта несложно подобрать нужное сечение (диаметр проводов).

Так как мощность электроприборов бытового применения относительно мала, диаметр проводов без учёта изоляции для монтажа подводки от щитка составляет в среднем не более 2,5-3 мм для алюминия, и 2,0-2,5 мм для меди.

Исключение — квартиры, оборудованные электрическими плитами и другим мощным оборудованием. В любом случае, требуется точно просчитать сечение под нагрузку с небольшим запасом.

Таблица явно показывает разницу в сечении жил применительно к типу проводника (медь/алюминий), что опять же отмечается преимуществом выбора медного провода.

Чем меньше сечение, тем тоньше проводник, тем проще его протягивать в канале.

Дополнительная информация о выборе кабеля и провода для организации проводки в квартире

Источник: https://stroyvsepodryad.info/novosti/elektroprovodka-v-derevyannom-dome-svoimi-rukami-kak-provesti-elektriku-v-chastnom-dome

Электрификация частного дома своими руками. Порядок действий

Электрификация частного дома своими руками. Порядок действий

Разводка электропроводки в частном доме может быть сделана своими руками

Электропроводка в доме или в квартире осуществляется до начала проведения отделочных работ. Самое главное, чтобы стояли стены, перегородки, а также крыша, если дом находится на этапе строительства. Последовательность мероприятий следующая:

  • Определиться с типом потребителей – однофазные (220V) или трехфазные (380V).
  • Разработка схемы, а также расчет мощности электрических приборов, с подачей соответствующих документов и получением разрешения.
  • Закупка всех комплектующих, а также электросчетчика, электрических проводов и коммутирующих аппаратов.
  • Монтаж ввода, когда электрическое напряжение подается от столба к счетчику (распределительному щитку). Как правило, такие работы осуществляет организация, которая обслуживает электрические сети.
  • Установка в электрическом щитке всех автоматических выключателей и устройств защиты.
  • Прокладка в доме электрических проводов к местам размещения распределительных коробок, выключателей, розеток и светильников.
  • Монтаж контура заземления и его подключение.
  • Испытание внутренней электропроводки и оформление акта.
  • Эксплуатация электропроводки.

План действий может иметь незначительные отличия от вышеописанного, но особенности заключаются в том, чтобы получить разрешение от соответствующих служб. Как правило, подготовка документов и их оформление, а также получение разрешения, занимает длительный период, при этом технические условия действительные на протяжении 2-х лет. За этот период можно изрядно потрудиться, осуществив все подготовительные операции.

Проводка в частном доме от а до я. Как правильно развести проводку в частном доме своими руками: пошаговая инструкция монтажа для новичка, схемы подключения

Проводка в частном доме от а до я. Как правильно развести проводку в частном доме своими руками: пошаговая инструкция монтажа для новичка, схемы подключения

Разводка электрики в частном доме — сложный и ответственный процесс. Однако при наличии соответствующих навыков все этапы работ можно выполнить самостоятельно. При укладке кабелей необходимо соблюдать правила безопасности. В противном случае возрастает риск аварийных ситуаций.

Проводка в частном доме от а до я. Как правильно развести проводку в частном доме своими руками: пошаговая инструкция монтажа для новичка, схемы подключения

Особенности монтажа электропроводки в частном доме

Проводить электричество на даче или в коттедже начинают сразу после возведения стен и крыши. На этом этапе пользуются услугами электрика или выполняют работы своими руками.

Второй вариант экономит время, однако для его реализации нужно уметь составлять схемы, владеть инструментом и строго соблюдать технику безопасности.

Главным требованием является надежность проводки.

Энергия к частным домам подводится от трансформаторной подстанции. Напряжение поступает по подземным или воздушным линиям. На первом этапе необходимо рассчитать суммарное энергопотребление. От этого зависит выбор типов кабелей, коммутационных и защитных приборов.

Основные требования к электропроводке в частном доме

Проектирование проводки выполняют с учетом норм СНиП, ПУЭ.

К ним относятся такие требования:

  1. Распределительный щиток с автоматом размещают на расстоянии 1,5-1,7 м от пола.
  2. Кабели укладывают горизонтально или вертикально. Наличие скошенных линий недопустимо.
  3. Провода отводят от распределительных коробок, розеток и защитных автоматов под прямым углом. То же правило касается поворотов линий. Размещать кабели по диагонали нельзя.
  4. От проемов до проводов оставляют расстояние более 15 см.
  5. Розетки монтируют на высоте 30-50 см от пола. Для выключателей это расстояние увеличивают до 80-90 см.

Какой способ прокладки электричества выбрать

Кабели в коттедже можно укладывать наружным или скрытым методом.

Открытая

Такой способ применяют в деревянных зданиях или при оформлении интерьеров в ретростиле. Проект предусматривает укладку кабелей в коробах или фиксацию керамическими изоляторами.

В последнем случае применяют специальные виды проводов. Потребуются накладные розетки и выключатели. При открытой укладке на схеме отображают места монтажа изоляторов.

Проводка в частном доме от а до я. Как правильно развести проводку в частном доме своими руками: пошаговая инструкция монтажа для новичка, схемы подключения

Скрытая

В домах, построенных из современных материалов, проводку прячут в стенах. Скрытый метод — сложный в исполнении, поскольку требует штробления. В подготовленные каналы укладывают кабели.

После этого провода фиксируют быстро затвердевающим раствором. Розетки и выключатели должны быть врезными. Проектом предусматривается встраивание подрозетников.

Проводка в частном доме от а до я. Как правильно развести проводку в частном доме своими руками: пошаговая инструкция монтажа для новичка, схемы подключения

Почему необходима схема электропроводки

Чертеж является основой будущей электропроводки. С его помощью определяют места пролегания кабелей, установки розеток, осветительных систем. По готовому чертежу делают разметку поверхностей.

В дальнейшем схема может пригодиться при ремонте вышедших из строя компонентов сети.

Создание проекта — сложная задача, ее стоит поручить специалистам.

От правильности схемы зависит безопасность жильцов дома.

Составление схемы электропроводки

Чертеж создают на основе плана жилого здания. Существуют установочные, функциональные и структурные схемы. Они должны содержать все компоненты электрической сети.

Электрическая

Этот документ определяет количество компонентов проводки и типы связей между ними. Электрическая схема дает детальное описание характера работы сети и подключаемых к ней приборов.

Проводка в частном доме от а до я. Как правильно развести проводку в частном доме своими руками: пошаговая инструкция монтажа для новичка, схемы подключения

Структурная и функциональная

Первый вид схем отражает основные части сети, их назначения и способы соединения. Функциональный вариант используется для разъяснения процессов, протекающих в группах электропроводки.

Объединенная

Проект определяет отдельные компоненты сети и способы их соединения на месте эксплуатации.

Монтажная

Такие схема используется для разметки мест установки приборов. Она помогает рассчитать количество расходных материалов и проводов.

Проводка в частном доме от а до я. Как правильно развести проводку в частном доме своими руками: пошаговая инструкция монтажа для новичка, схемы подключения

Источник: https://stroika-i-remont.info/stati/provodka-v-dome-svoimi-rukami-plan-deystviy

Схема электропроводки в частном доме своими руками. Составление и согласование проекта

Проект внутренней электропроводки для частного дома состоит из:

  • расчета мощности, вводных устройств и требуемого сечения проводов;
  • расчета систем заземления и молниезащиты;
  • схемы разводки электропроводки;
  • плана расположения в здании кабельных линий и силового оборудования;
  • сметы на расходные материалы.

Делается такой полноценный проект внутридомовой проводки только по договору в специализированной компании с лицензией. Если его потом придется согласовывать у поставщика электрической энергии, то выполненные самостоятельно чертежи и расчеты приняты к рассмотрению не будут.

Самому можно сделать лишь электрическую и/или монтажную схему, которые облегчают работы при выполнении монтажа электропроводки своими руками. В них схематично указываются аппараты защиты и линии проводов, чтобы упростить себе составление сметы и сборку всей системы.

Электропроводка в доме своими руками пошаговая. Разбиваем потребителей на группы 09

Схема монтажа электропроводки в доме

Выбор фаз

Одним из наиболее важных моментов проекта и схем проводки является тип входного напряжения. Здесь особо анализировать, как, например, многочисленные плюсы и минусы свайного фундамента , не придется. Оно может быть однофазным либо трехфазным, на 220 либо 380 Вольт. При выборе исходить надо из имеющихся возможностей питающего трансформатора (что смогут дать энергетики) и потребляющего ток электрооборудования.

Если в коттедже или на участке планируется установить мощный электрокотел либо какое-нибудь устройство с трехфазным электродвигателем, то вариант только один – три фазы на 380 В. Это же решение придется использовать, если все потребители электричества рассчитаны на 220 В, но суммарная мощность выходит большой. В этом случае разводку следует делать так, чтобы распределить нагрузку по разным фазам, а не оставлять ее всю лишь на одной.

В остальных ситуациях, когда частный дом по площади не превышает 100 квадратов и в нем нет электрических водонагревателей, можно обойтись обычными однофазными 220 В. Требования к трехфазной электропроводке выше. Стоит она дороже, а нужна далеко не всегда. При этом надо учесть, что 380 В на трех фазах могут потребоваться в будущем. И тогда придется согласования начинать сначала. Здесь необходимо все взвесить и предусмотреть заранее.

Как рассчитать мощность потребления при разводке

Для расчета общей мощности потребления и необходимой для этого электропроводки дома необходимо просуммировать киловатты всех бытовых и осветительных приборов в жилище. Данные параметры есть в техпаспортах на оборудование и в специальных таблицах. Плюс сюда добавляются пусковые нагрузки и 20% про запас.

Самыми энергоемкими в коттедже являются проточные нагреватели воды (около 4–5 кВт), электроплиты с духовкой (до 3 кВт), электрообогреватели (1,5–3 кВт), пылесосы (около 1,5 кВт) и стиральные машинки (порядка 2–2,5 кВт). Немало потребляет также вентиляция в частном доме , если она сделана приточно-вытяжной и с подогревом воздуха без рекуператора.

Электропроводка в доме своими руками пошаговая. Разбиваем потребителей на группы 10

Средняя мощность потребления бытовой техники

Для света, особенно если он светодиодный, требуется относительно немного (до 0,5 кВт). Приблизительно также мало сейчас потребляют телевизоры, компьютеры и иная используемая в быту техника. Но все это обязательно надо учесть и сложить, чтобы вычислить суммарную мощность коттеджа. Она нужна, чтобы получить ТУ и рассчитать сечение электропроводки.

Как рассчитать пропускную мощность электрической проводки

Группы потребителей

Чтобы нагрузка во внутридомовой сети распределялась равномерно, на схеме разводки проводов потребители разбиваются на несколько групп. Например, одна идет на уличное освещение придомового участка, вторая на хозпостройки, третья на осветительные приборы в коттедже и четвертая на розетки в нем. Если дом большой, то такая разбивка может производиться по этажам и помещениям.

Электропроводка в доме своими руками пошаговая. Разбиваем потребителей на группы 11

Основные группы потребления

На каждую отдельную линию ставятся свои автоматы и УЗО (устройства защитного отключения). Это повышает безопасность эксплуатации домовой электросети и упрощает поиск проблемных точек в системе при срабатывании защиты. На схеме разводки электропроводки должны быть указаны все защитные аппараты и потребляемый ток на контуре, который запитан с каждого из них.

Групповое УЗО и провода по сечению за ним подбираются так, чтобы соответствовать потреблению конкретной группы. На мощное оборудование рекомендуется выделять свою линию питания, а на остальных количество потребителей не стоит делать выше 5–6 розеток. Лучше заложить в проекте их больше, но с меньшим риском перегорания жил из-за длительных перегрузок.

Электропроводка в двухкомнатной квартире своими руками. Советы по составлению схемы

Для составления схемы разводки своими руками можно использовать копию плана квартиры, где очень удобно отмечать места подключения светильников, выключателей и розеток.

Электропроводка в доме своими руками пошаговая. Разбиваем потребителей на группы 12

различные элементы обозначения на схеме

За начальную точку схемы обычно принимают место расположения распределительного щитка, который зачастую находится в коридоре недалеко от входной двери. При составлении схемы своими руками рекомендуем воспользоваться следующими советами:

  1. Линии электропроводки в квартире принято проводить строго по вертикали или по горизонтали, что способствует снижению рисков их повреждения при сверлении стен с различной целью.

    делаем проводку горизонтально или вертикально

  2. Прокладывать линию электропроводки лучше в 20 см от потолка либо по полу при помощи специального электротехнического плинтуса. Электропроводка в доме своими руками пошаговая. Разбиваем потребителей на группы 13
  3. Линию освещения и силовую линию рекомендуется условно разделить на несколько групп с подключением на каждую группу отдельного автоматического выключателя. К примеру, один автоматический выключатель будет отвечать за освещение ванной и коридора, а другой – за свет в кухне, спальне и гостиной. Схема линии розеток в двухкомнатной квартире также должна быть разбита на группы.

    пример схемы проводки и однолинейной схемы с различными группами подключения

  4. Каждая комната (кроме ванной) должна быть оснащена собственной распределительной коробкой. В ванную комнату разводку электрической проводки рекомендуется сделать из распределительной коробки, расположенной в коридоре.

    Электропроводка в доме своими руками пошаговая. Разбиваем потребителей на группы 14

    на схеме видно синими кружечками отмечены распредкоробки на каждую комнату

  5. Если хозяин квартиры хочет сделать освещение балкона своими руками (так как застройщиком это не предполагается), можно вывести отдельный кабель из распределительной коробки, находящейся в соседней комнате.

    пример расположения проводки в двухкомнатной квартире и питание балкона

  6. В случае большой извилистой комнаты освещение лучше делать с помощью нескольких светильников, которые будут управляться от двухклавишного выключателя. Если это условие не выполнить, то освещение в квартире может быть недостаточным.
  7. В процессе монтажа розетки обычно рекомендуется располагать в 30 см от уровня пола, но они также могут располагаться и на большей высоте (к примеру, над рабочей поверхностью стола). На каждые 6 м2 комнаты рекомендуется устанавливать не менее одной розетки. А в кухне лучше сделать столько розеток, сколько там имеется бытовой техники (обычно 5-6 штук).

    Электропроводка в доме своими руками пошаговая. Разбиваем потребителей на группы 15

    расположение розеток в комнате

  8. Перед составлением схемы разводки своими руками тщательно спланируйте будущее расположение мебели и техники по комнатам, чтобы в дальнейшем избежать перекрытия мебелью розеток или не доставание шнуров от бытовой техники к источникам питания.
  9.  В схему разводки необходимо в обязательном порядке включить УЗО (устройство защитного отключения), рассчитанное на 30 мА. Для ванной лучше установить дополнительное УЗО на ток 10мА. Оно сможет защитить кабели от перегревания при коротком замыкании, утечке тока или при перенапряжении сети.

Разводка электрики в частном доме. Последовательность работ при разводке электрики в доме

Разводка электропроводки в частном доме делается до начала отделочных работ. Коробка дома выгнана, стены и кровля готовы, – самое время начинать работы.

  • Последовательность действий такая:
  • Определение типа ввода – однофазный (220 В) или трехфазный (380 В).
  • Разработка схемы, расчет мощности планируемого оборудования, подача документов и получение проекта. Тут нужно сказать, что далеко не всегда в технических условиях вам определят заявленную вами мощность, скорее всего выделят не более 5 кВт.
  • Выбор составляющих и комплектующих, закупка счетчика, автоматов, кабелей и т.п.
  • Ввод электрики от столба в дом. Выполняется специализированной организацией, вам нужно определиться с типом – воздушный или подземный, установить в нужном месте автомат ввода и счетчик.
  • Установить щиток, завести электричество в дом.
  • Прокладка кабелей внутри дома, подключение розеток, выключателей.
  • Устройство контура заземления и его подключение.
  • Тестирование системы и получение акта.
  • Подключение электричества и его эксплуатация.

Это только общий план, в каждом случае есть свои нюансы и особенности, но начинать нужно с получения технических условий подключения к электросети и проекта. Для этого нужно определиться с типом ввода и планируемой мощностью энергопотребления.

Нужно помнить, что подготовка документов может занять и полгода, так что подавать их лучше еще до начала стройки: на выполнение техусловий дается два года. За это время, наверняка, вы сможете выгнать стену, на которую можно будет поставить автомат и счетчик.

Составление плана и получение проекта

Определившись с типом ввода, можно приступать к разработке плана электрификации дома. Берете план дома в масштабе и прорисовываете где будет стоять техника, прикидываете, где расположить розетки и выключатели.

При этом нужно учитывать где какая крупногабаритная мебель будет стоять, и куда ее можно будет переставить, чтобы в эти зоны не наставить розеток и выключателей.

На плане нужно будет нанести все осветительные приборы: люстры, бра, торшеры, лампы. Для некоторых из них нужны будут выключатели, для некоторых – розетки. Потом нужно будет прикинуть, какие приборы в каждом помещении нужно будет включать.

Например, на кухне установлена масса техники, которая работает постоянно. Для нее обязательно нужны розетки. Есть еще техника, которая включается периодически. Все это наносится на план, определяется оптимальное расположение точек включения. Такой же подход и в каждой из комнат.

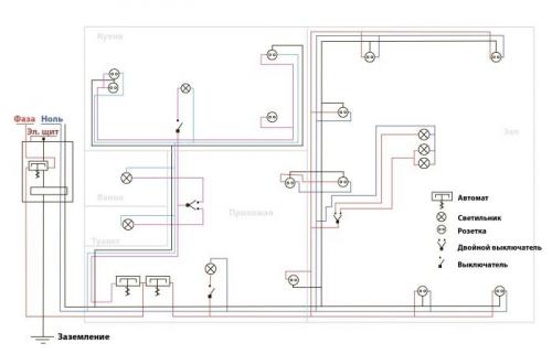
Электропроводка в частном доме схемы. Пример составления схемы электропроводки в частном доме

Схему будущей электропроводки составляют на основе плана частного дома. Она состоит из двух частей, электрической и монтажной. Основные элементы набрасываются схематично, «для себя».

  • Электрическая схема . Схема электропроводки в частном доме показывает способ включения в цепь энергопотребителей и их количество.
Пример электрической схемы проводки в загородном доме Источник assz.ru
  • Монтажная схема . Определяет места монтажа устройств. Эти данные помогут подсчитать количество необходимых кабелей и дополнительных расходных материалов.
Монтажный вариант схемы электропроводки Источник kabel-house.ru

К основным элементам сети относят провода, розетки, выключатели, счетчики, предохранители и реле, распределительные коробки, кроме того:

  • точку ввода внешнего силового кабеля;
  • УЗО;
  • точки подключения бытовых приборов высокой мощности;
  • потолочные и настенные осветительные приборы.

Началом электроснабжения дома является электрощит. К нему извне подводится питающий провод (чаще по воздушной линии), подающий однофазный или трехфазный ток.