Электропроводка в доме своими руками. Как правильно развести проводку в частном доме своими руками: пошаговая инструкция монтажа для новичка, схемы подключения
- Электропроводка в доме своими руками. Как правильно развести проводку в частном доме своими руками: пошаговая инструкция монтажа для новичка, схемы подключения
- Как раскидать проводку по дому. Электрика в каркасном доме
- Электропроводка в частном доме схемы. Составление схемы
- Проводка в частном доме от а до я. Последовательность работ
- Схема электропроводки в частном доме своими руками. Разводим электропроводку в частном доме своими руками
Электропроводка в доме своими руками. Как правильно развести проводку в частном доме своими руками: пошаговая инструкция монтажа для новичка, схемы подключения

Разводка электрики в частном доме — сложный и ответственный процесс. Однако при наличии соответствующих навыков все этапы работ можно выполнить самостоятельно. При укладке кабелей необходимо соблюдать правила безопасности. В противном случае возрастает риск аварийных ситуаций.

Особенности монтажа электропроводки в частном доме
Проводить электричество на даче или в коттедже начинают сразу после возведения стен и крыши. На этом этапе пользуются услугами электрика или выполняют работы своими руками.
Второй вариант экономит время, однако для его реализации нужно уметь составлять схемы, владеть инструментом и строго соблюдать технику безопасности.
Главным требованием является надежность проводки.
Энергия к частным домам подводится от трансформаторной подстанции. Напряжение поступает по подземным или воздушным линиям. На первом этапе необходимо рассчитать суммарное энергопотребление. От этого зависит выбор типов кабелей, коммутационных и защитных приборов.
Основные требования к электропроводке в частном доме
Проектирование проводки выполняют с учетом норм СНиП, ПУЭ.
К ним относятся такие требования:
- Распределительный щиток с автоматом размещают на расстоянии 1,5-1,7 м от пола.
- Кабели укладывают горизонтально или вертикально. Наличие скошенных линий недопустимо.
- Провода отводят от распределительных коробок, розеток и защитных автоматов под прямым углом. То же правило касается поворотов линий. Размещать кабели по диагонали нельзя.
- От проемов до проводов оставляют расстояние более 15 см.
- Розетки монтируют на высоте 30-50 см от пола. Для выключателей это расстояние увеличивают до 80-90 см.
Какой способ прокладки электричества выбрать
Кабели в коттедже можно укладывать наружным или скрытым методом.
Открытая
Такой способ применяют в деревянных зданиях или при оформлении интерьеров в ретростиле. Проект предусматривает укладку кабелей в коробах или фиксацию керамическими изоляторами.
В последнем случае применяют специальные виды проводов. Потребуются накладные розетки и выключатели. При открытой укладке на схеме отображают места монтажа изоляторов.

Скрытая
В домах, построенных из современных материалов, проводку прячут в стенах. Скрытый метод — сложный в исполнении, поскольку требует штробления. В подготовленные каналы укладывают кабели.
После этого провода фиксируют быстро затвердевающим раствором. Розетки и выключатели должны быть врезными. Проектом предусматривается встраивание подрозетников.

Почему необходима схема электропроводки
Чертеж является основой будущей электропроводки. С его помощью определяют места пролегания кабелей, установки розеток, осветительных систем. По готовому чертежу делают разметку поверхностей.
В дальнейшем схема может пригодиться при ремонте вышедших из строя компонентов сети.
Создание проекта — сложная задача, ее стоит поручить специалистам.
От правильности схемы зависит безопасность жильцов дома.
Составление схемы электропроводки
Чертеж создают на основе плана жилого здания. Существуют установочные, функциональные и структурные схемы. Они должны содержать все компоненты электрической сети.
Электрическая
Этот документ определяет количество компонентов проводки и типы связей между ними. Электрическая схема дает детальное описание характера работы сети и подключаемых к ней приборов.

Структурная и функциональная
Первый вид схем отражает основные части сети, их назначения и способы соединения. Функциональный вариант используется для разъяснения процессов, протекающих в группах электропроводки.
Объединенная
Проект определяет отдельные компоненты сети и способы их соединения на месте эксплуатации.
Монтажная
Такие схема используется для разметки мест установки приборов. Она помогает рассчитать количество расходных материалов и проводов.

Как раскидать проводку по дому. Электрика в каркасном доме
Здесь допускается скрытая проводка, потому что из горючих материалов в таком доме только несущие стойки. Но провода нужно укладывать в трубах из негорючих материалов: гофрах из ПВХ или металлических рукавах .

Гофры из ПВХ дешевле, но лучше не экономить и выбрать металлические. Под обшивку каркасного дома могут забраться мыши или крысы. Если они перегрызут пластиковую трубу с кабелем, случится пожар. А металлическая труба им явно не по зубам.
Александр Воробьев
До сих пор ведутся споры, что важнее: СП ( Свод правил ) или ПУЭ ( правила устройства электроустановок ). Но ПУЭ с его жесткими требованиями так и не был принят, а основным отраслевым нормативным документом стал Свод правил (конкретнее — СП 256.1325800.2016). СП, в отличие от ПУЭ, допускает монтаж скрытой проводки в каркасных домах. Сам кабель должен иметь негорючую оплетку — выбирайте ВВГнг , произведенный по ГОСТу.
Монтаж нужно делать до обшивки каркаса внутренней отделкой. Размечайте положение проводки так, чтобы она была закрыта негорючим утеплителем. Для этого отверстие под трубу с кабелем сверлите в середине несущей стойки каркаса.

Трассу укладывайте так, что у нее был небольшой уклон. Это тоже требование безопасности: в гофре может накопиться конденсат, нужно дать ему возможность свободно стекать и не застаиваться.
Проводку в доме из дерева — каркасном или полностью деревянном — лучше рассчитывать с запасом. При недостаточной площади сечения и большой нагрузке кабель раскалится, у него расплавится изоляция, а это чревато пожаром.
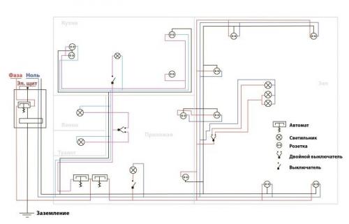
Электропроводка в частном доме схемы. Составление схемы
По закону частному лицу государство гарантирует упрощенное подключение к электричеству жилища при условии, что его электросеть будет потреблять не более 15 кВт мощности. Если в планах нет применения теплого пола или мощного бойлера на электропитании, то этих киловатт в большинстве случаев хватает с избытком. Можно даже использовать скважинные насосы и маломощный слесарный станок в гараже.
Типичная схема электропроводки в доме
Упрощенный порядок электрификации дома предполагает:
- подачу документов на подсоединение к сетям с указанием планируемой к потреблению мощности;
- получение техусловий (сколько киловатт в итоге выдадут и с какого столба);
- подготовка и согласование электропроекта коттеджа (при необходимости);
- выполнение монтажа проводки и электрооборудования;
- получение актов о соответствии внутридомовой электроэнергетической системы проекту и ввода ее в эксплуатацию;
- подписание договора электроснабжения со снабжающей компанией.
Если новый потребитель (объект) укладывается в 15 кВт, то во многих снабжающих организациях при запросе ТУ даже не требуют электропроект здания. Они просто ставят на вводе ограничитель по мощности. В результате больше оговоренного в договоре и техусловиях объема электроэнергии получить из сети все равно не выйдет.
А что происходит в доме – это проблемы его хозяина. При этом всю нужную документацию по проводам от трансформатора до вводного шкафа они готовят сами.
Однако многие поставщики электричества продолжают при выполнении подключения привычно по-старому требовать проект электроснабжения коттеджа. В этом документе указывается схема электропроводки дома с обозначением месторасположения всех розеток, выключателей и приборов освещения. В любом случае его рекомендуется делать, чтобы четко понимать план разводки проводов по зданию и их необходимый метраж.
По закону государство гарантирует упрощенное подключение к электричеству жилища, если электросеть потребляет не более 15 кВт мощности. Если в планах нет применения теплого пола или мощного бойлера на электропитании, то этих киловатт в большинстве случаев хватает с избытком. Можно даже использовать скважинные насосы и маломощный слесарный станок в гараже.
Типичная схема электропроводки в доме
Упрощенный порядок электрификации дома предполагает:
- Если новый потребитель (объект) укладывается в 15 кВт, то во многих снабжающих организациях при запросе ТУ даже не требуют электропроект здания. Они просто ставят на вводе ограничитель по мощности.
- В результате больше оговоренного в договоре и техусловиях объема электроэнергии получить из сети все равно не выйдет.
- А что происходит в доме – это проблемы его хозяина. При этом всю нужную документацию по проводам от трансформатора до вводного шкафа они готовят сами.
Однако многие поставщики электричества продолжают при выполнении подключения привычно по-старому требовать проект электроснабжения коттеджа. В этом документе указывается схема электропроводки дома с обозначением месторасположения всех розеток, выключателей и приборов освещения.
В любом случае его рекомендуется делать, чтобы четко понимать план разводки проводов по зданию и их необходимый метраж.
Проводка в частном доме от а до я. Последовательность работ
Проводку электрической сети в собственном доме производят до начала работ по отделке помещений. Коробка здания уже стоит, стены возведены и кровля на месте – подошло время подумать об электроэнергии.
Последовательность выполняемых работ такая:
- Определение необходимого количества ах – однофазный ток (220 В) или нужно подключить трехфазный ток (380 В)
- Создание электрической схемы, подсчет мощности будущих потребителей, подача документации в контролирующие органы и получение утвержденного проекта. Необходимо упомянуть, что не всегда вам разрешат заявленную мощность, чаще всего выделят до 5 кВт
- Выбор комплектующих электросети, приобретение счетчика, электрических кабелей и автоматов необходимой мощности
- Подвод энергии от столба в дом, эту работу самостоятельно выполнять нельзя, нужно пригласить специалистов энергопоставляющей организации, разместить в подходящем месте общий автомат и электрический счетчик
- Закрепить распределительный щиток, провести в дом электричество
- Укладка внутри дома кабелей, установка и подключение выключателей и розеток
- Установка и подключение заземления
- Проверка сети и получение акта
Но на каждом объекте есть свои особенности, начинать необходимо с изучения технических условий и проекта. Сначала нужно решить, какой нужен тип ввода, и определить какое количество электроэнергии будет расходоваться.
Подготовка и подача документов займет до полугода, лучше подавать их до начала строительных работ, на выполнение предоставляется 2 года. Этого срока, наверняка хватит, чтобы выгнать стены, и установить счетчик и автомат.
Схема электропроводки в частном доме своими руками. Разводим электропроводку в частном доме своими руками
Еще совсем недавно, разводка электропроводки в частном доме выполнялась из алюминиевого кабеля сечением 2.5 мм². И этого было более чем достаточно для подключения холодильника, утюга или радиоприемника.
Однако время не стоит на меньше, и с каждым днем количество бытовых приборов в доме только увеличивается (кондиционеры, электрические печи и духовые шкафы, бойлера, котлы автономного отопления и так далее). В связи с этим значительно возрастает нагрузка на электропроводку, что может привести к ее выходу из строя с последующим коротким замыканием или даже возгоранием.

По этой причине при новом строительстве или выполнении ремонтных работ, в первую очередь необходимо выполнять новый монтаж электропроводки в частном доме. Для этого можно либо заказать услуги профессионалов, либо же выполнить все работы своими руками.
Во втором случае будет крайне полезно прочитать данную статью, поскольку в ней будет подробно описан каждый из этапов электромонтажа и представлены все основные требования, рекомендации и ограничения при выполнении данного типа работ.
Основные этапы монтажа электропроводки в частном или загородном доме

Согласно многолетнему опыту в выполнении электромонтажных работ, все работы можно подразделить на следующие этапы:
- Составление схемы электроснабжения (количество и место расположения розеток, выключателей, светильников и так далее).
- Определение места установки распределительного щитка.
- Разметка потолков, стен и полов под прокладку кабельно-проводниковой продукции и установку подрозетников и распределительных коробок.
- Штробление стен под скрытую электропроводку.
- Штробление стен под установку распределительного щитка (при установке внутреннего щитка).
- Высверливание отверстий под установку подрозетников и распределительных коробок.
- Монтаж трасс для крепления гофры (если прокладка кабельно-проводниковой продукции будет выполнятся в гофре).
- Прокладка кабельно-проводниковой продукции.
- Установка подрозетников и черновая заделка штроб.
- Расключение распределительных коробок.
- Монтаж контура заземления.
- Проверка сопротивления заземления смонтированного контура.
- Сборка и монтаж щитка.
- Проверка работоспособности всех розеток и выключателей.
- Монтаж и подключение розеток, выключателей и осветительных приборов.
Рассмотрим более детально основные этапы, для того чтоб монтаж электропроводки в доме был выполнен качественно и прослужит не менее 20–25 лет (именно такой минимальный срок службы медной проводки).
Составление схемы электроснабжения (проект расстановки розеток и выключателей)
При строительстве или капительном ремонте первый этап — эта разработка проектно-сметной документации. Этим должны заниматься специализированные организации с лицензией. В данной статье этот вариант не будет рассмотрен, поскольку цель данной статьи — представить подробное описание выполнение электромонтажа своими руками.
В нашем случае проект (схема электроснабжение) подразумевает определится с местами установки розеток, выключателей, бытовых приборов, осветительных устройств, щитка освещения и способа прокладки проводов (скрытый или открытый). Рассмотрим какие существуют основные рекомендации при разработке плана электроснабжения.
Основные рекомендации при составлении схемы электроснабжения частного дома

- Вся кабельно-проводниковая продукция в независимости от варианта монтажа должна выполнятся строго вертикально или горизонтально.
- Повороты кабелей должны выполнятся строго под углом 90°.
- Минимально расстояние от кабелей порталам, оконным и дверным проемам не должно быть менее 10–15 см.
- Оптимальное расстояние от уровня чистого пола до выключателей должно составлять 90 см (в соответствии с европейскими стандартами).
- Оптимальная высота расположения розеточных групп — 30 см от уровня чистого пола (за исключением розеток на рабочей поверхности в кухне, в ванной для подключения фена, бритвы, бойлера и так далее).
- Розетки рекомендуется размещать по обеим сторонам кровати или дивана.
- В местах установки телевизоров, количество розеток должно быть не менее 4 шт (2 шт для интернета и телевизионного кабеля и 2 для подключения телевизора и тюнера).
- Для больших коридоров и комнат рекомендуется применять проходные выключатели.
- Все мощные потребители (кондиционеры, электрические печи и духовки, бойлеры, котлы отопления и так далее) должны подключатся исключительно с распределительного щитка с отдельно установленной защитой.
- Оптимальная высота установки распределительного щитка — 1.5–1.7 м от уровня чистого пола.
- Запрещается прокладывать кабельно-проводниковую продукцию ближе чем 20 см к газовой трубе.
- Все металлические элементы и розетки должны быть обязательно заземлены.