Сделать подоконник самостоятельно: простой способ сэкономить деньги
- Сделать подоконник самостоятельно: простой способ сэкономить деньги
- Связанные вопросы и ответы
- Какие инструменты и материалы необходимы для установки подоконника
- Как правильно измерить размеры подоконника
- Как сделать необходимые отверстия в стене для установки подоконника
- Как правильно закрепить подоконник на окне
- Какие материалы можно использовать для изготовления подоконника
- Как выбрать подходящий дизайн подоконника
- Как избежать ошибок при установке подоконника
Сделать подоконник самостоятельно: простой способ сэкономить деньги
Пластиковые подоконники - это практичное и доступное решение. Они не требуют особого ухода, легко моются и долговечны. Пластиковые подоконники также отличаются хорошей теплоизоляцией и устойчивостью к различным воздействиям окружающей среды. В России популярны подоконники из ПВХ - устойчивого материала, который прекрасно справляется с изменениями температуры и влажности. Однако, пластиковые подоконники могут несколько уступать каменным и деревянным подоконникам в эстетическом плане.
Надеюсь, эта информация будет полезной для вас при выборе подходящего материала для подоконников. В конечном счете, выбор будет зависеть от ваших предпочтений, бюджета и стиля вашего интерьера. Помните, что правильно выбранный материал может сделать вашу комнату еще краше и функциональнее.
Если у вас есть какие-либо вопросы или комментарии, пожалуйста, не стесняйтесь оставить их внизу. Буду рад помочь вам!
"Идея 2: Шаг за шагом: процесс создания подоконника своими руками"
Приветствую, дорогие читатели! Сегодня хочу поделиться с вами интересной идеей, которая пригодится тем, кто хочет добавить немного свежести и уюта в свой дом. А именно - создание подоконника своими руками!
Подоконник - это не просто функциональная деталь интерьера, но и элемент, который может добавить шарм в комнату. Кроме того, самостоятельное изготовление подоконника позволит вам сэкономить деньги и создать что-то уникальное, отличное от стандартных вариантов, предлагаемых на рынке.
Связанные вопросы и ответы:
Вопрос 1: Что такое подоконник и для чего он используется
Ответ: Подъемник – это элемент оконного окна, который устанавливается на подоконнике, чтобы предотвратить попадание дождя и снега внутрь помещения. Он также может служить декоративным элементом и защищать окно от повреждений.
Вопрос 2: Какие материалы можно использовать для изготовления подоконника
Ответ: Для изготовления подоконника можно использовать различные материалы, такие как дерево, пластик, металл или камень. Выбор материала зависит от внешнего вида окна, архитектурного стиля дома и личных предпочтений.
Вопрос 3: Как выбрать подходящий подоконник для своего окна
Ответ: Чтобы выбрать подходящий подоконник, нужно учитывать размеры и форму окна, а также внешний вид дома. Также важно учитывать материалы, из которых сделаны окно и дом, чтобы подоконник гармонично вписывался в общую композицию.
Вопрос 4: Как правильно измерить окно для установки подоконника
Ответ: Чтобы правильно измерить окно для установки подоконника, нужно измерить его ширину и высоту. Ширину измеряют по нижнему и верхнему краю окна, а высоту – по левому и правому краю. Выбираются максимальные значения для ширины и высоты, чтобы подоконник плотно прилегал к окну.
Вопрос 5: Как установить подоконник своими руками
Ответ: Для установки подоконника нужно сначала измерить окно и заказать подоконник подходящих размеров. Затем нужно очистить место для установки, удалив старый подоконник и убрать пыль. После этого нужно приклеить подоконник к окну с помощью клея или заклёпок, используя уровень для того, чтобы подоконник был ровным. Затем нужно ожидать, пока клей или клепки затвердеют, и сделать последние шлифовки и нанесение лака, чтобы подоконник был защищен от внешних воздействий.
Вопрос 6: Какие особенности нужно учитывать при установке подоконника на окнах с электроприводом
Ответ: При установке подоконника на окнах с электроприводом нужно учитывать, что подоконник не должен мешать работе механизмов и не должен закрывать доступ к электроприводу. Также нужно убедиться, что подоконник плотно прилегает к окну, чтобы вода и снег не проникали внутрь помещения.
Какие инструменты и материалы необходимы для установки подоконника

Подоконная доска – важный атрибут каждой оконной системы. Причём она играет не только декоративную, но и функциональную роль, предотвращая попадание холодного воздуха внутрь квартиры или дома.
Чтобы осуществить монтаж, необязательно звонить в строительную компанию. Зная тонкости, соблюдая рекомендации специалистов, установить пластиковый подоконник вовремя или после установки окна можно самостоятельно.
Как подобрать материал

К выбору продукции требуется подходить ответственно, ведь отделочный элемент должен гармонично вписываться в дизайн помещения. Часто он выполняет дополнительные функции, например, служит подставкой книг, мелкой бытовой техники, цветочных горшков. Потому, чтобы избежать ненужных неприятностей, стоит учитывать материал и дизайн изделий.
Из ПВХ

На рынке отделочных материалов конструкция из поливинилхлорида – самая распространённая разновидность оформления оконной ниши. Объясняется это внушительным списком достоинств:
- Цена существенно ниже, чем у разновидностей, изготовленных из натурального камня или древесины.
- При бережном уходе будет радовать в течение долгих лет.
- Универсальный дизайн. Сверху основание декорировано ламинирующей плёнкой, имитирующей камень, дерево и другие природные текстуры. Это позволяет подобрать модель, удачно вписывающуюся в любой интерьер.
- Отличается хорошей теплоизоляцией.
- Влагоустойчив, не боится плесени, грибка, низкой температуры.
- Не требует применения мягких чистящих средств.
- Не покрывается царапинами, сколами.
Минусы:
- Под воздействием высокой температуры начинает плавиться.
- Декоративный слой легко повредить, а со временем он может расслоиться.
Важно! Несмотря на имеющиеся минусы, хозяева домов и квартир чаще устанавливают именно пластиковый подоконник.
Натуральный и искусственный камень

Достоинства:
- Стильный дизайн.
- Широкая цветовая палитра и оригинальные принты.
- Надёжность. Образцы из гранита и мрамора будут уступать только алмазным.
- Хорошо переносит контакт прямых солнечных лучей, высоких температур, влаги.
- Долговечность.
- Не требует специального ухода.
Минусы:
- При неаккуратном использовании на лицевой стороне будут образоваться царапины, сколы и прочие дефекты, которые испортят внешний вид.
- Продукция из мрамора разрушается под воздействием пищевых кислот.
- Большой вес и габариты.
- Высокая цена.
- Гранитная модель имеет небольшое количество расцветок и узоров.
Искусственная разновидность является хорошей заменой граниту или мрамору. Отличается небольшим весом, надёжностью, приятной текстурой. Однако цена такого аналога выше, чем у натурального.
Дерево

Относится к природному сырью, но с появлением практичных искусственных модификаций, утратило былую популярность. Обычно устанавливают в том случае, когда рама также изготовлена из натурального дерева. Выглядит благородно, наполняет помещение уютом, теплотой.
Достоинства:
- Экологичность.
- Прочность. Выдерживает большой вес.
- Не царапается, хорошо переносит высокие температуры.
- Красивый цвет и узор.
- Хорошо сохраняет тепло.
Недостатки:
- Не переносит воздействия влаги. Начинает разбухать, деформироваться. Потому после окончания процесса лицевую сторону надо обработать специальным раствором или лаком.
- Требователен к уходу.
МДФ или ДСП

Отличаются доступной ценой, но проигрывают прочим версиям. Главный недостаток – набухают и деформируются при контакте с водой. Потому, чтобы защитить плиту, её дополнительно покрывают водонепроницаемой плёнкой. Но при контакте с горячими предметами она быстро теряет первозданную привлекательность.
Обратите внимание! Заменой ДСП может стать ламинированная плита из МДФ. Это более прочная версия, хорошо переносящая контакт с жидкостями. Но стоит несколько дороже видов из ДСП.
Инструменты
Качество используемых инструментов влияют на удобство, быстроту процесса, а также на долговечность и прочность.
Для отделочных работ понадобятся:
- ватерпас;
- маркер;
- рулетка;
- строительная пена, оборудованная насадкой для более удобного использования;
- ПВХ-панель;
- винты, пружинные скобы;
- молоток;
- стамеска;
- разные по габаритам брусочки;
- болгарка;
- Штукатурка на гипсовой основе. Манипуляции выполняются молотком и стамеской.
- Бетон. Углубления делаются перфоратором.
Предварительный этап

Прежде чем переходить к монтажу, надо оборудовать посадочную площадь, откосы и нижнюю часть ниши. В боках делаются небольшие углубления – они будут служить дополнительной опорой. Для этого ПВХ следует приложить к откосам, затем с каждой стороны нанести разметку. В отмеченной области выпилить желобки глубиной пару сантиметров.
На заметку! Делать углубления требуется крайне осторожно, в противном случае стены могут быть повреждены.
Создание фиксирующих дорожек зависит от состава стен:
После завершения процесса нижнюю часть отверстия и подстановочный профиль очистить от пыли, грязи. Затем подготовленную площадь надо увлажнить грунтовочным составом.
Важная информация! Чтобы предотвратить появления сквозняков, важно тщательно заделывать ненужные отверстия, появившиеся при выполнении предварительного этапа.
Как правильно измерить размеры подоконника
Мне нравится
2При проведении замеров подоконников необходимо учитывать следующее:
Как правильно измерить размеры подоконника
Мне нравится
При проведении замеров подоконников необходимо учитывать следующее:
- Длина подоконника: измеряется от края подоконника до края подоконника, измеряется в метрах или дюймах.
- Ширина подоконника: измеряется от центра подоконника до края, измеряется в метрах или дюймах.
- Высота подоконника: измеряется от уровня пола до края подоконника, измеряется в метрах или дюймах.
- Отступы: учитываются для обеспечения свободного доступа к подоконнику, измеряются в метрах или дюймах.
Важно помнить, что неправильные измерения могут привести к ошибкам в выборе подоконника, что может привести к неудовлетворительному результату в использовании пространства.
Также, рекомендуется использовать специальные инструменты, такие как измеритель длины или рулетка, для точного измерения размеров подоконника.
- Тип материала для подоконника. Подоконники изготавливаются из ПВХ, дерева, на основе ДСП и МДФ, натурального или искусственного камня.
- В основном в деревянных светопрозрачных конструкциях изготовление подставочного бруска предусматривается в составе нижнего горизонтального профиля с выборкой четверти для установки под профиль подоконника. При установке подо¬конников на конструкции, не имеющие в нижнем профиле данного элемента, например при изготовлении конструкции с угловым соединением на ус под 45° на шпонку «двойной ласточкин хвост», желательно использовать подставочный профиль, к которому подводится подоконник.
Необходимо учитывать материал подоконника (дерево, камень или пластик) для определения возможности его крепления к оконному блоку. Если по каким-либо при¬чинам подставочный профиль не используется, то следует заводить подоконник под нижний профиль оконной коробки на расстояние, позволяющее закрепить подоконник крепежным элементом через профиль оконной коробки. Установка подоконника встык с нижним профилем оконной коробки нежелательна.
Способы установки подоконников:
а - деревянных или пластиковых;
б - каменных;
(*) - обработка стыков силиконовым герметиком
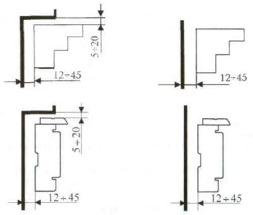
При расчете ширины подоконников необходимо учесть:
- при монтаже изделий в проем с четвертью зазор между четвертью и оконным блоком должен составлять от 5 до 20 мм (рис. 13);
- величину захода подоконника под нижний профиль оконной коробки, как при использовании подставочного профиля, так и без него;
- размер выступающей части подоконника от внутреннего края стены.

Длина подоконника рассчитывается по внутреннему краю оконного проема, с учётом фиксации в боковых откосах проема по 50-80 мм с каждой стороны.
Ширина подоконников из ПВХ профиля составляет от 100 до 850 мм.
В соответствии с действующей нормативной документацией не рекомендуется перекрывать подоконником приборы отопления, и, как правило, расстояние от края подоконника до прибора отопления должно составлять 10-15 см. В домах старого фонда при толщине стены более 500 мм и ширине подоконника более 500 мм, а также при пожелании заказчика установить подоконник, перекрывающий прибор отопления, во избежание появления конденсата или наледи рекомендуется устанавливать каналы для подвода тепла к оконному блоку.
Схема нижнего узла примыкания с каналом подачи теплого воздуха от нагревательного прибора к оконному блоку:
1- канал подачи теплого воздуха от нагревательного прибора к оконному блоку;
2- подоконная доска;
3- декоративная решетка выходного отверстия;
В случае если подоконник выступает за плоскость стены более чем на 120 мм или его площадь опоры мала (менее 1/3 ширины), следует предусмотреть установку кронштейнов с шагом крепления 400-500 мм.
Если расстояние (монтажный зазор в нижнем узле примыкания) между горизонтальной плоскостью оконной коробки и стеновым проемом превышает 60 мм, то необходимо предусмотреть применение дополнительных материалов для его уменьшения (цементно-песчаная стяжка, кирпич, газобетонный блок и т.д.).
Как сделать необходимые отверстия в стене для установки подоконника
Для монтажа подоконника нужно сделать точные замеры оконного проема. Для этого потребуется измерительная лента или линейка. Замеры должны быть сделаны не только по ширине и высоте, но и по глубине проема.
При определении ширины подоконника учите ширину самого оконного проема возможные дополнительные элементы. При подсчете высоты подоконника учтите, что он должен быть достаточно высоким, чтобы исключить возможность попадания влаги или грязи. Также толщина конструкции не должна препятствовать открыванию и закрыванию окна.
Для определения длины откосов замерьте длину оконного проема по всем четырем сторонам и учтите, что откосы могут быть более широкими или узкими в зависимости от дизайна и архитектурных особенностей помещения. Откосы должны быть достаточно глубокими, чтобы исключить возможность попадания сквозняков или потери тепла.
Что нужно замерить:
- Ширину и глубину оконного проема: измерьте расстояние от одного конца оконного проема до другого для определения ширины подоконника. Затем измерьте глубину оконного проема от внутреннего края до внешнего края, чтобы определить глубину.
- Высоту от пола до нижней части окна: это поможет определить высоту откоса.
- Углы и наклоны оконного проема: некоторые оконные проемы имеют нестандартные углы или наклоны, поэтому важно измерить их для точной установки подоконника и откосов.
- Учитывайте материалы и толщину стены: при выборе подоконника и откосов учтите толщину стены и тип материала, чтобы подобрать подходящие элементы для установки.
Как правильно закрепить подоконник на окне
Установку подоконника на окна ПВХ выполняют после окон, но до откосов. Если откосы уже будут установлены, придется выполнить в них пазы, в которые войдет доска.
Как правильно установить подоконник:
- Если монтаж происходит в момент установки окна, работа начинается с монтажного шва, который встраивается при помощи монтажной пены. Если шов более 8см, его нужно запенивать постепенно, сделав интервалы между подходами в 6-7 минут. Полная жесткость будет достигнута в срок около 20 минут. После застывания на него наносится лента для пароизоляции.
- Если окно было установлено ранее, по бокам проема придется устраивать пазы. В зависимости от размера выступов потребуется выбрать от 10 до 60мм. Для работы потребуется электроинструмент. На время работы электроинструмента во избежание повреждения искрами стеклопакеты закрываются картонкой.
- В подставочный профиль вкручиваются саморезы, на которые будет опираться конструкция (они в профессиональной среде называются опорными). Расстояние от нижней кромки составляет около 18мм.
- Если расстояние под окном получилось больше 40мм, нужно будет его уменьшить при помощи штукатурки. Если проигнорировать этот момент, такой толстый слой пены не сможет полимеризоваться в правильном режиме, и его теплоизоляция понизится.
- Очистить поверхность, в идеале используя пылесос. Прогрунтовать бетон для увеличения адгезии (если грунтовка попала на стеклопакет, немедленно удалить).
- Подогнать приобретенную доску по рассчитанным размерным показателям (не забудьте про уменьшение размеров на 1см от требуемых, поскольку доска при колебании температур будет незначительно менять размеры).
- Сделать опорные точки. Шаг опор составляет 50-60см. Чтобы в процессе наложения доски они не сдвинулись, можно использовать саморезы.
- Вставить доску в профиль, выровнять при помощи уровня, оставив уклон в сторону комнаты для стока воды (на доску глубиной 20см — 2-3мм, 40см — 4-6мм и т.д.).
- Нанести пену в пространство под окном и придавить панель грузом, чтобы пена при расширении ее не поднимала.
- Смонтировать заглушки.
- Герметизировать щели.
Какие материалы можно использовать для изготовления подоконника
Популярный материал для изготовления не только столешниц, но и подоконников. Как и в случае со столешницами, камень может быть натуральным или искусственным. Но любой вариант будут отличать прочность, стойкость к высоким температурам и повышенной влажности.
1. Гранит – красивый, долговечный материал разных цветов. Он очень надежный, относительно доступный (от 4000 р./м2), но очень тяжелый. Плотность гранита может превышать 3000 кг/м3, изделия из него очень тяжелые и не в каждом доме их можно ставить. В квартирах обычно есть требования к допустимой нагрузке на квадратный метр перекрытия.

2. Мрамор – элегантный и красивый камень с разнообразием узоров и цветов. Его отличает легкость обработки, на нем легко сделать фигурный капинос. Несмотря на внешнюю привлекательность, у натурального мрамора достаточно недостатков. Цена от 5000 р./м2. Мрамор очень пористый и нуждается в защитном покрытии, которые придется регулярно обновлять, плюс специальный уход, включающий обязательную полировку. Если вы выбираете светлый мрамор, не стоит ставить на него цветочные горшки – останутся следы, особенно при переливе воды. К тому же мрамор боится абразивов и его можно поцарапать. Вес мрамора чуть ниже, чем у гранита (плотность до 2500 кг/м3), но все же подоконники из него способный весить более 100 кг.

3. Травертин – еще один популярный камень для изготовления подоконников. На первый взгляд у него сплошные плюсы: он легче мрамора (средняя плотность 2000 кг/м3), за счет своей пористой структуры лучше сохраняет тепло, при этом остается достаточно прочным материалом. Из свойств травертина проистекают и его недостатки: он более хрупкий, чем мрамор, то есть поцарапать или расколоть его проще, а за счет высокой пористости он требует постоянного нанесения защитной пропитки (закрывающей поры) и тщательного ухода. Пролить на травертин что-то с кислотами или ярким пигментом почти всегда значит получить пятно. Стоимость у такого подоконника от 7000 р./м2.

Также стоит учитывать, что любой каменный подоконник будет холодным, в отличие от деревянного или композитного. Это же касается и подоконников из искусственного камня, их три основных варианта:
1. Кварцевый агломерат – лучшая альтернатива любому натуральному камню, поскольку по прочности он превосходит гранит, а за счет смолы в составе полностью лишен пор. Он не боится кислот и абразивов, цветочные горшки или пролитые красящиеся жидкости не испортят даже белый подоконник из агломерата. Недостатков два: высокая цена (от 7000 р./м2) и вес. Как и натуральный камень, агломерат, на 95% состоящий из кварцевого порошка, имеет высокую плотность и вес.

2. Акриловый камень – в основе его акриловые смолы, этот «камень» является целиком синтетическим и, в отличие от натурального, теплый на ощупь. Несмотря на название и расцветки, имитирующие как мрамор, так и гранит или травертин, акриловый камень все же является пластиком, со всеми вытекающими недостатками. Он легко царапается, менее стоек к ударам, выгорает на солнце (что критично для подоконника), но стоит дороже простого ПВХ подоконника – от 4000 р./м2.

3. Литьевой мрамор – производится, как и кварцевый агломерат, из минеральных и полимерных компонентов: измельченного мрамора (пыли или муки) и смол, но доля мрамора редко превышает 80%. За счет полимеров, литьевой мрамор на ощупь теплый, в отличие от натурального. Сверху на такой камень наносится специальное гелевое покрытие, которое придает глянцевый блеск и защищает подоконник от загрязнений и царапин. Проблема в том, что оно не вечное, и со временем растрескивается, а подоконник теряет свой привлекательный вид. Но, стоимость такого мрамора в среднем ниже, чем у кварцевого агломерата, от 6000 р./м2.

Стоит отметить, что стоимость самого подоконника не включает его установку. К тому же раскрой и замер часто рассчитываются отдельно.
Как выбрать подходящий дизайн подоконника
На вопрос, как установить подоконник на пластиковое окно, представим подробный и пошаговый ответ. При этом наша цель – дать практические советы, подсказать варианты экономии, которые не скажутся на качестве результата. Это тем более важно, что владельцы домов и квартир имеют возможность установить откосы и подоконники для пластиковых окон самостоятельно– сделать это несложно, справиться может человек со скромными навыками в области домашнего ремонта. Рекомендуем прочитать материал до конца прежде, чем предпринимать какие-либо действия. Это позволит выполнить работу безошибочно и без потерь времени на исправление ошибок или повторный поход в магазин за материалами и инструментами.
Как установить подоконник под пластиковое окно – начинаем с выбора основного материала
Строительный рынок сегодня предлагает огромное число вариантов по материалам, технологиям изготовления и отделки внешнего слоя. И с практической, и с эстетической точки зрения лучшие результаты показывают изделия из пластика (ПВХ, акрил), натурального и искусственного камня. При этом пластиковые намного дешевле, легче, проще в монтаже и практичнее. А по эстетическим параметрам они не уступают изделиям из камня, поскольку внешне чрезвычайно разнообразны. – Производители их окрашивают в разные цвета, делают матовыми, глянцевыми, ламинируют. За счет ламинирования, в том числе получают пластиковые подоконники с расцветкой и фактурой «под дерево» или «под камень». Это предопределяет выбор 90% процентов потребителей и дизайнеров интерьеров.

Если опустить некоторые детали, то конструктивно имеем два листа пластика, соединенных вертикальными ребрами. Ребра обеспечивают необходимую жесткость, при этом толщина изделия и элементов должна быть не меньше, чем:
- Подоконник в целом – 20 мм
- Верхняя стенка – 3 мм
- Нижняя стенка – 2,5 мм
- Ребра жесткости – 1,5 мм
Если какой-либо производитель решил сэкономить и не придерживается этих требований, ищите другой вариант, даже если эстетически он выглядит не так эффектно.
С точки зрения стойкости к механическим, химическим и температурным воздействиям в порядке возрастания свойств пластиковые подоконники ранжируются так:
- ПВХ
- с покрытием CPL
- с покрытием EPL
- акриловые
На акриловых можете растирать песок, тушить сигарету – следов не останется.

В любом случае нужно купить плиту требуемой длины и соответствующего цвета торцевые заглушки. Для угловых или очень широких окон понадобятся также соединители, чтобы состыковать части подоконника. Более сложный вариант в статье не рассматривается, скажем лишь, что и в этом случае с работой можно справиться самостоятельно.
Как правильно установить подоконник на пластиковые окна – размеры плиты


- Длина
Расстояние между откосами + 10-12 см. Запас в 10-12 см необходим для того, чтобы утопить подоконник в откосы и обеспечить его выход за ширину оконного проема (так называемые «уши»). Мастера-установщики рекомендуют с каждой стороны делать выступ на 5 или 6 см. В ряде случаев можно не следовать этой рекомендации, оставлять меньший размер «ушей» (подробнее расскажем ниже).
- Ширина (глубина)
Для её определения учитывается больше факторов. Установщики окон обычно оставляют под нижним срезом рамы паз для установки подоконника. Если так сделали, замеряем глубину паза, и берем этот показатель в качестве первого слагаемого. Вторым слагаемым становится расстояние от рамы окна до угла откоса и стены. А третье слагаемое – выступ от уровня стены в глубину помещения. Обычно подоконник выступает на 5-6 см, но это правило, а не догма.

Главное, что нужно обеспечить – беспрепятственное движение потока теплого воздуха от радиатора отопления вверх по оконному проему. В ином случае на стеклах возможно интенсивное выпадение конденсата, пластиковые окна начнут «плакать». Поэтому важно, чтобы радиатор выступал от стены на большее расстояние, чем подоконник. Но все дома индивидуальны, где-то используются тонкие, где-то широкие радиаторы, могут они и вовсе отсутствовать, например, при использовании теплых полов. Поэтому размер выступа подоконника за стену выбирают в большем диапазоне, чем традиционные 5-6 см. Но помните, что увлекаться не следует, желание получить большую площадь, например, для вазонов с цветами способно привести к негативным результатам, «плачущим» окнам. Об этом нужно помнить и при заказе, установке мебели. Скажем, сегодня модно и удобно монтировать столешницы письменного стола, кухонной рабочей поверхности вплотную к стене и подоконнику. Делать это никто не запрещает, но важно предусмотреть проемы или отверстия, через которые теплый воздух будет подниматься к окну.
Как избежать ошибок при установке подоконника
Если сильно дует, то придется демонтировать проблемную часть. Метод не стоит использовать для нового стеклоблока, иначе можно лишиться гарантии на конструкцию. Вначале снимают обои рядом с окном. Аккуратно молотком и зубилом отбивают шпаклевку в стыках. Если нет штукатурки, то достаточно лезвием убрать закрепляющие вещества (монтажную пену, герметик).
Строительную массу срезают ножом. Подоконник, слегка наклоняя, медленно тянут на себя. Открывшийся участок при помощи веника или пылесоса очищают от мусора. Мелкие зазоры заполняют герметиком. Крупные щели рекомендуем расширить ножом, потом загрунтовать и заделать шпаклевкой.
После высыхания подоконник нужно установить обратно. По диагонали и периметру лицевой стороны наносят строительную массу. Полотно аккуратно кладут в рабочий участок. Слегка придавливают пластиковую поверхность в течение 2-3 минут. По уровню проверяют правильность монтажа.
Дует из пластикового окна: причины и как бороться
Полиуретановая пена под воздействием воздуха начинает увеличиваться в размерах. Чтобы подоконник не повело, сверху надо поставить груз:
- кирпичи;
- стопки книг;
- банки с водой.
После высыхания остатки массы срезают. Места стыков рекомендуем заделать штукатуркой. В качестве раствора подойдет как цементно-песчаный, так и обычный алебастровый состав. После полимеризации некрасивые участки заклеивают обоями или закрашивают.
Монтаж подоконников.