Оптимальные размеры туалета с раковиной. Нормы
- Оптимальные размеры туалета с раковиной. Нормы
- Минимальные размеры санузла с унитазом и раковиной. Минимальные
- Туалет размеры гост. ГОСТ 30493-2023
- Размеры совмещенного санузла с душевой кабиной. Необходимый минимум
- Минимальный размер туалета с раковиной. Нормы эргономики и свои личные параметры
- Размер туалета стандарт. Стандартные размеры унитаза и минимальный размер туалета
Оптимальные размеры туалета с раковиной. Нормы
Не последнюю роль в создании комфортного и функционального жилища играет санузел. От его размеров во многом зависит:
- каким образом вы будете размещать все основные сантехнические конструкции (ванну, кабину для душа, а также раковину, умывальник и биде);
- как будут проложены инженерные коммуникации;
- какие типы отделки могут быть использованы.
Минимальная допустимая площадь туалетов, а также иные параметры, связанные с габаритами этих помещений, законодательно регулируются через ГОСТы и СНиПы – они устанавливают метраж ванн и туалетов в жилых квартирах, а также допустимые параметры для общественных сооружений разного назначения.
Приступая к перепланировочным работам в своем жилище, следует внимательным образом изучить всю правовую базу в этой сфере . В противном случае вы рискуете столкнуться с тем, что результат ваших работ может быть признан не соответствующим действующим стандартам, незаконным и подлежащим демонтажу.
Обращаем внимание: для Беларуси, а также Украины и ряда других стран СНГ нормативы СНиПов относительно метража санузлов могут существенно отличаться от утвержденных в нашей стране. Свои различия могут иметь стандарты для некоторых регионов РФ.
Определенная группа ограничений касается также особенностей размещения санитарных комнат в многоквартирных домах. Так, вам могут отказать в согласовании перепланировки, если вы намереваетесь разместить уборную над кухней либо над жилой зоной, исключением могут стать лишь 2-уровневые квартиры с большим метражом.
Единственный вариант, когда строительство и перепланировка туалета могут проводиться без учета норматива — это проведение работ в коттедже, частном доме либо на даче. Если вы не собираетесь подключать внутридомовые коммуникации к общему канализационному стояку и центральной системе водообеспечения, то требования в точном следовании действующим нормативам отсутствуют.
Разберемся, каков оптимальный размер санитарной комнаты. Габариты гигиенического помещения в квартире:
- глубина — не меньше 1,2 м;
- ширина — не меньше 0,8 м;
- высота потолка — не ниже 2,5 м;
- удаленность от чаши унитаза до наклонной плоскости кровли (для туалетов, обустроенных в мансарде) — 1,05-1,1 м;
- высота потолка в прихожей возле входа в уборную – не ниже 2,1 м.
Дополнительно рекомендации сделаны относительно размещения сантехники и расстояний между отдельными элементами комплектации санузла:
- между чашей унитаза и биде — от 25 см;
- перед ванной чашей – от 70 см незанятой площади;
- около унитаза – от 60 см;
- с обеих сторон от унитаза – от 25 см;
- перед раковиной — от 70 см.
В соответствии со СНиПами дверь уборной может открываться только наружу, устанавливать конструкции, распахивающиеся внутрь не рекомендовано.
Выход из туалета должен вести либо в прихожую, либо в коридор — расположить ее возле кухни, столовой или жилых комнат не рекомендовано.
Отдельному регулированию подлежат санузлы, устанавливаемые для пользователей с ограниченными возможностями. В соответствии с принятыми стандартами для инвалидов параметры уборной должны иметь следующие размеры:
- ширина —1, 65 м;
- глубина — 1,8 м.
Согласно закону установка дополнительного сантехнического оборудования (биде и писсуаров) необязательна, однако их монтаж желателен. Кроме этого, необходимо подобрать оптимальное расположение сантехники, так чтобы пользователь на коляске мог беспрепятственно попадать туда без сторонней помощи.
Обязательным является установка поручней около унитаза и рукомойника, оптимальная высота их размещения —75 см.
Желательно, чтобы с той стороны, где человек пересаживается с кресла на унитаз, последний он был откидным.
Минимальные размеры санузла с унитазом и раковиной. Минимальные
Квартиры и частные дома могут иметь самую разнообразную жилую площадь, от чего зависят габариты кухни, а также санузла. При небольшом размере жилища необходимо уметь правильно распределить место для туалета с ванной. Площадь комнаты будет зависеть от того, что именно в ней будет расположено.
- В комнате с унитазом минимальная ширина должна составлять 80 см, а глубина 1.2 м.
- В помещении, где есть унитаз и раковина, минимальная ширина составляет 1 м, а глубина 1.5 м.
- Для комнаты, в которой совмещается душ и туалет, минимальные размеры будут зависеть от габаритов сантехники. В помещении с унитазом, раковиной и душевой кабинкой минимальной шириной комнаты будет 1.6 м, а глубиной – 1.4 м.
- Если в совмещенном санузле находится унитаз, раковина и ванная, то минимальная ширина равна 2.5 м, а глубина – 1.5 м.
При проектировании данного помещения важно ориентироваться на габариты сантехники и ее расположение внутри. Особое внимание стоит уделить проектированию уборной для людей с ограниченными возможностями, чтобы они могли без труда сами себя обслуживать.
Габариты санузла в этом случае будут иными.
- Ширина туалета может остаться в пределах 80 см, так как инвалидная коляска должна пройти в подобное помещение. Глубина комнаты должна быть не менее 1.2 м, чтобы в ней нормально помещался человек на коляске и сантехника. Высота раковины не должна быть выше 85 см.
- Ширина ванной комнаты не может быть меньше 1.6 см, с учетом размера самой ванной, на которую выделяют 80 см, свободного места для коляски и удобной транспортировки из нее в ванную.
- Для душевой кабинки ширина помещения должна составлять 1.7 м, так как сама сантехника будет занимать более 80 см и человеку с ограниченными возможностями необходимо комфортно перебраться в нее.
При наличии минимального свободного места под санузел необходимо тщательно изучить место и распланировать его так, чтобы обеспечить максимальный уровень комфорта для любого жителя квартиры или дома. В этом случае рекомендуется делать общее помещение, в котором вместо ванной желательно устанавливать боковую душевую кабинку, монтировать частично встроенный в стену унитаз, а стиральную машину располагать под рукомойником.
Туалет размеры гост. ГОСТ 30493-2023
МЕЖГОСУДАРСТВЕННЫЙ СОВЕТ ПО СТАНДАРТИЗАЦИИ, МЕТРОЛОГИИ И СЕРТИФИКАЦИИ
(МГС)
INTERSTATE COUNCIL FOR STANDARDIZATION, METROLOGY AND CERTIFICATION
(ISC)
МЕЖГОСУДАРСТВЕННЫЙ
СТАНДАРТ
ИЗДЕЛИЯ САНИТАРНЫЕ КЕРАМИЧЕСКИЕ Классификация и основные размеры
Издание официальное
Москва
Стандартинформ
Предисловие
Цели, основные принципы и основной порядок проведения работ по межгосударственной стандартизации установлены в ГОСТ 1.0-2015 «Межгосударственная система стандартизации. Основные положения» и ГОСТ 1.2-2015 «Межгосударственная система стандартизации. Стандарты межгосударственные, правила и рекомендации по межгосударственной стандартизации. Правила разработки, принятия, обновления и отмены»
Сведения о стандарте
1 РАЗРАБОТАН Открытым акционерным обществом «Научно-исследовательский институт санитарной техники» (ОАО «НИИсантехники»)
2 ВНЕСЕН Техническим комитетом по стандартизации ТК 465 «Строительство»
3 ПРИНЯТ Межгосударственным советом по стандартизации, метрологии и сертификации (протокол от 25 сентября 2017 г. № 103-П)
|
4 Приказом Федерального агентства по техническому регулированию и метрологии от 12 октября 2017 г. № 1404-ст межгосударственный стандарт ГОСТ 30493-2017 введен в действие в качестве национального стандарта Российской Федерации с 1 марта 2018 г.
Размеры совмещенного санузла с душевой кабиной. Необходимый минимум
Не составляет особых сложностей перепланировка стандартного или большого санузла. А вот в малогабаритной комнате наблюдается довольно острый дефицит площади, поэтому здесь требуется пристальное внимание.

Сегодня люди пользуются самой разнообразной сантехникой – унитазами, биде, душевыми кабинами, ваннами (в том числе джакузи), умывальниками. К тому же есть еще стиральные машины, детские ванночки, корзины для белья, шкафчики и пр.

Чем меньше помещение, тем сложнее разместить в нем все необходимое, не нарушая санитарных норм и соблюдая комфорт хотя бы минимально.

В таких случаях дизайнеры часто рекомендуют использовать эффективные решения – встроенный в нишу унитаз, стиральную машину под раковину, замену ванны на душевую кабину и т.д. За счет умело выстроенных перегородок и подиумов можно «развернуться» даже в маленьком помещении, скрыв большинство недостатков.

Нормативами предписаны минимальные размеры для санузла:
- Глубина 120 см;
- Ширина 80 см;
- Высота потолка 210 см.

Также следует учитывать, что двери помещения должны открываться наружу. Размешать вход в сантехническое помещение в жилой зоне или на кухне нельзя – только в коридоре или в прихожей.
К размещению сантехники также предъявляются определенные эргономические требования:
- Если унитаз не скомбинирован с биде, то расстояние между этими изделиями должны быть не меньше 25 см;
- По сторонам от унитаза также должно быть по 25 см;
- Перед самим унитазом надо предусмотреть 60 см свободного пространства;
- Перед душевой кабиной или ванной необходимо оставить хотя бы 70 см (оптимальное расстояние 100-120 см);
- Перед умывальником следует сохранить 70 см, а если он утоплен в нишу, то 90 см свободного пространства.

Отдельно регулируется вопрос габаритов санузла для инвалидов. Минимальная ширина здесь должна составлять 165 см, а глубина – 180 см.

Двери также должны открываться только наружу (удобно использование маятниковых механизмов для вертикального перемещения створок в любую сторону). Разумеется, нужно предусмотреть удобный доступ в помещение маломобильным гражданам, прежде всего – инвалидам-колясочникам.

Установка дополнительного оборудования не регламентируется, но внедрять его для удобства лиц с ограниченными возможностями весьма желательно.
Минимальный размер туалета с раковиной. Нормы эргономики и свои личные параметры
Сложности чаще всего возникают при планировании объединённых санузлов, потому что в них нет изначально заданных габаритов для каждой зоны. В результате не всегда понятно, какое пространство нужно оставить для санузла и какой размер ванны оптимальный, стоит ли его увеличивать. На какой высоте расположить раковину или смесители.
Давайте посмотрим основные схемы с оптимальными размерами. Самая комфортная ширина ниши под унитаз от 80 до 90 см. Нужно ориентироваться минимум на 90, особенно если человек крепкого телосложения, 80 это минимальный размер, даже 76 в некоторых схемах, когда вариантов совсем нет, но это неудобно. Должно остаться минимум по 30 сантиметров с каждой стороны унитаза и минимум 50 сантиметров перед ним. Если рядом расположен угол раковины, то 80 сантиметров не подходит.
Стандартной считается ванна 170 на 70. Минимальный размер, который можно встретить 100 на 70 см, сидячий вариант. Есть мнение, чем больше ванна, тем лучше, но это не всегда так.
Если человек небольшого роста, то ему сложно будет найти удобное положение в ванне 180 см. Кроме основных габаритов, нужно учесть бортик, если его делать. Это может быть бортик со стороны стены для монтажа смесителей или используемый как полка, а может, с внешней стороны. Обычно он делается около 10 сантиметров, но можно не делать его совсем, а подвести кран под край ванны.
Минимальная ширина душевой кабины или угла 76 см, максимальная обычно 110, соответственно ориентируйтесь на свои габариты (рост и комплекцию). Желательно не делать ширину меньше чем 80 сантиметров. При этом минимальный проход в душевую зону 55 см.
Минимальная комфортная ширина раковины с тумбой на одного человека 70 см. Речь именно об основной раковине, над которой вы будете умываться. Стандартная высота 85 см, но можно сделать чуть выше, если человек высокого роста. Исключение-небольшая раковина в гостевом санузле. Она может быть минимальной.
К примеру, вы объединяете ванну и душ, то нужно отдельно обратить внимание на доступ к смесителям, если вы используете стеклянные шторки. Лучше либо выбрать поворотный вариант, чтобы её можно было отодвинуть и включить излив, либо разнести единый смеситель на 2, один в душевой, а другой для ванны.
Также нужно проверить эргономику для стиральной машинки, если она находится в ванной, полотенцесушителя, всех смесителей и аксессуаров, например, держателя для бумаги.
Источник: https://stroika-i-remont.info/novosti/razmer-tualeta-s-rakovinoy-stroitelnye-trebovaniya
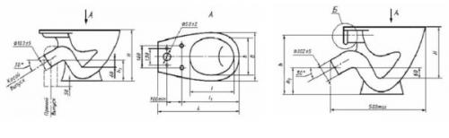
Размер туалета стандарт. Стандартные размеры унитаза и минимальный размер туалета
ГОСТ 30493-96 нормирует размеры только унитазов с полочкой. Еще есть те, которые устанавливают в вагонах, но они нам не нужны. Стандартные размеры унитаза с полочкой прописаны для двух вариантов: с цельноотлитой и с приставной. Вторая модель используется в комплекте с навесными/настенными бачками или вообще без них. Еще есть стандартные размеры детского унитаза. Они (детские) идут без полочки. Все размеры приведены в таблице. А чтобы понимать о чем речь, смотрим чертежи.

Чертеж унитаза с цельноотлитой полочкой и косым выпуском из ГОСТа
| Конструкция унитаза | H | h | h1 | l | l1 | L (глубина или длина) | b | B (ширина в самом широком месте) |
| С цельноотлитой полочкой для установки бачка (Компакт) | 150 | 330 | 435 | не менее 605 (может быть и 575 мм) | 260 | 340 и 360 | ||
| Без полочки (бачок навесной) | 370 и 400 | 320 и 350 | 460 | |||||
| Детский | 335 | 285 | 130 | 280 | 380 | 405 | 210 | 290 |
Итак, стандартный размер унитаза с полочкой (называют обычно «Компакт»):
- Длина — L — 605 мм. Это с учетом того, что модель компакт с выступом под установку бачка. Отдельно прописано, что можно выпускать более короткие модели длиной до 575 мм.
- Ширина — B — также два стандартных значения: 340 и 360 мм.
Высота унитазов не нормирована, но обычно в пределах 370-390 мм. Так что по стандарту, самый узкий унитаз — 340 мм, а самый короткий модели «компакт с полочкой и косым сливом» — 575 мм. Исходя из этих значений и минимально допустимых расстояний из предыдущего пункта, можем определить минимальные размеры туалета под установку такой модели. Начнем с вычисления ширины: 340 мм + 2*250 мм = 840 мм. То есть, расстояние между стенками не может быть меньше 84 см. Лучше, конечно, больше.
А по длине туалет должен быть 575 мм + 600 мм = 1175 мм. Но это без учета того, что надо еще канализационную трубу уложить и каким-то образом подключить слив. На это отведем еще 20 см. Итого получим, что минимальная длина туалетной комнаты 1175 мм + 200 мм = 1375 мм. В метрах это 1,375 м.

Стандартные размеры унитаза без полочки (с навесным бачком) из ГОСТа
Стандартные размеры унитаза с настенным бачком существенно меньше: длина/глубина 460 мм, ширина 360 мм и 340 мм. То есть, помещение может быть короче. Минимальная его глубина — 1060 мм — это только под комфортную установку чаши, но надо еще трубы подключить, так что добавим еще 20 см. Итого, получим, что для установки унитаза с навесным настенным бачком комната должна быть не менее 126 * 84 см. А если у вас помещение более длинное, можно чудо сантехники выдвинуть назад, а за унитазом и/или над ним сделать шкафчик с полочками.