Как установить солнечные батареи самостоятельно. Установка солнечных батарей: выбор места, правила монтажа и размещения
- Как установить солнечные батареи самостоятельно. Установка солнечных батарей: выбор места, правила монтажа и размещения
- Установка солнечных батарей москва. Монтаж солнечных электростанций
- Монтаж солнечных панелей на металлочерепицу. Монтаж солнечных батарей
- Как правильно установить солнечные панели на земле. Как установить солнечные батареи
- Как установить солнечные панели на крыше. Материал кровли
- Как установить солнечные батареи в частном доме. Что следует учесть на этапе проектирования?
- Каркас для солнечных панелей своими руками. Монтаж батареи
Как установить солнечные батареи самостоятельно. Установка солнечных батарей: выбор места, правила монтажа и размещения
В последние годы все большую популярность набирают альтернативные, возобновляемые источники энергии, в числе которых особняком стоит энергия Солнца. Хорош этот источник энергии тем, что он неиссякаем, по крайней мере, еще 5 миллиардов лет.
Количество же выделяемого им тепла и света громадное. В эпоху развития новых технологий, «грех» не воспользоваться этим природным даром. Но для сбора и аккумулирования энергии Солнца необходимо устанавливать солнечные батареи .
Приобрести комплектующие для установки солнечной станции или уже готовую систему можно в специализированных магазинах. Например, тутвы сможете найти и заказать всё необходимое. К тому же компания предлагает доставку.
А после покупки этого «чуда» вам предстоит еще правильно провести монтаж, для более качественного функционирования. О том, как установить солнечную батарею и пойдет речь в нашей статье.
Где установить
Для максимального использования характеристик солнечных батарей следует принимать во внимание некоторые особенности их расположения на поверхности:
- Тень . Самое важное в выборе места установки — это затененность. Если батарея будет находиться в тени других зданий или деревьев, она не будет вырабатывать достаточное количество энергии для нормального функционала.Помимо этого, в результате неправильной установки она через короткое время выйдет из строя, не успев оправдать затраты на приобретение.
- Ориентация . Необходимо направлять батарею в сторону Солнца, для того, чтобы максимальный поток солнечных лучей падал на фотоэлементы батареи. Для тех, кто в школе плохо учил географию, следует напомнить: Солнце двигается (если можно так сказать) по экватору, поэтому, если вы находитесь в северном полушарии, ориентируйте лицевую сторону батареи на юг. Если же вы находитесь в южном полушарии — на север.
- Наклон . Этот аспект, как и предыдущий, зависит от географического положения. Профессионалы рекомендуют устанавливать угол наклона равный широте, в которой он находится.Помимо этого, если вы находитесь не на экваторе, коррекцию угла нужно производить в зависимости от времени года и она составляет 12 градусов исходя из его увеличения летом и уменьшения зимой.
Установка солнечных батарей москва. Монтаж солнечных электростанций
Команда инженеров-монтажников ООО «Ток» профессионально осуществляет установку и интеграцию солнечных электростанций всех доступных видов.
- Сетевых или по-другому Grid, ориентированных на экономию электроэнергии и работу с "Зеленым тарифом".
- Гибридных станций в составе с аккумуляторным банком, которые помимо экономии реализуют функцию ИБП
- Автономных солнечных электростанций с т.ч. с генераторами, для объектов без доступа к центральной электросети.
Условия работы
- Мы в том числе принимаем заявки на монтаж оборудования, приобретенного не в нашей компании.
- Нашими заказчиками являются как физические, так и юридические лица для которых осуществляется расчёт и установка промышленных СЭС.
- Возможно оплата как за наличный, так и по безналичному расчёту. Аванс составляет 80%. Остальные 20% оплачиваются по факту подписания акта выполненных работ.
- Монтаж осуществляется по всей территории РФ.
- На работы предоставляется гарантия 12 месяцев.
- Срок монтажа зависит от сложности и степени подготовленности объекта.
Стоимость работ
Стоимость работ определяется после осмотра объекта и знакомства с техническим заданием. Приблизительную стоимость установки приобретенного у нас оборудования вы можете узнать в карточке соответствующего комплекта под кнопкой «Купить» в разделе «Дополнительно».
Размещение панелей
Место размещения и способ монтажа солнечных модулей определяется техническим заданием и может быть осуществлён:
- На скатную крышу с использованием креплений, повторяющих её угол наклона
- На плоскую кровлю с использованием креплений с изменяемым углом
- На фасад здания под вертикальным или заданным углом
- На землю с использованием специальной профильной конструкции
- Комбинированные варианты
Организация работ
Весь процесс взаимодействия разбит на 4 этапа:
- Предварительный осмотр объекта с осуществлением всех необходимых замеров
- Расчет системы и подбор оборудования (если оно не приобретено)
- Монтаж оборудования
- Пусконаладочные работы и консультация по вопросам работы оборудования
Как правило, монтаж солнечных панелей сопряжен с работами на высоте, в связи с этим мы особое внимание уделяем соблюдению соответствующих норм и правил работ.
В работе используется профессиональный инструмент, только качественные фирменные электроустановочные изделия и специализированная кабельная продукция. Плюс к этому, мы всегда заботимся о необходимой защите поставляемого оборудования от возможных негативных факторов внешней среды. Всё это позволяет гарантировать отказоустойчивость, надёжность и высокое качество работы нашего решения.
Монтаж солнечных панелей на металлочерепицу. Монтаж солнечных батарей
Установку панелей выполняют как непосредственно на крышу, так и на несущую конструкцию, специально предназначенную для этих целей.
В первом варианте панели будут размещены под фиксированным углом, что создаст определенные сложности при их эксплуатации, к примеру, в периоды пониженной интенсивности солнца. Таким образом, единственным приемлемым видом панелей останутся только не зависящие от активности солнца.
Чаще при установке используют второй способ, тем более что он применим к любой кровле. Несущая конструкция помимо того, что придает устойчивость к атмосферным воздействиям, к примеру, сильным порывам ветра, дает возможность регуляции угла наклона.
На заметку
Крыша дома может иметь любую конфигурацию, за исключением скатных с уклоном более 40°.
- Если наклон крыш для солнечных батарей не превышает 40°, то в этом случае монтаж выполняют либо на рамную конструкцию, либо без нее.
- На плоской крышах установку выполняют на наклонную плоскость специального металлического каркаса.
- На стене подобные батареи устанавливают очень редко. Как и в предыдущем случае монтаж выполняют на рамной конструкции, обязательно с наклоном.
- Гелиосистемы в квартирах обычно устанавливают либо на крыше балкона или лоджии или с наружной стороны.
Полезно
Хотя солнечные батареи на крыше многоквартирного дома по общей стоимости будут дороже индивидуальных, однако сократят расходы по эксплуатации. Не надо забывать, что на крышах высоток отсутствуют затемненности, а, значит, модули на них будут работать с большей производительностью.
Установку на земле выполняют на специальной опорной конструкции, расположенной не ниже полуметра от земли. Это вариант рекомендован, в частности, для регионов с сильными снегопадами.
На какие моменты нужно обратить внимание при монтаже
- Проверьте, в состоянии ли кровля противостоять суммарной нагрузке, образованной от веса рамы и самой панели.
- Объекты, которые находятся вблизи, не должны откидывать тень на панели. В противном случае
- из-за недостатка энергии солнца понизится КПД оборудования,
- в системе ряд панелей из-за тени, падающей на их поверхность, не будут работать,
в этих условиях могут возникнуть так называемые блуждающие токи, которые выведут из строя батарею.
Как устроен каркас
- Конструкцию фиксируют при помощи металлических угольников размером 5*5 см и 2,5*2,5 см. Последние используются для распорных перекладин.
- Крепление выполняют при помощи шести- и восьмимиллиметровых болтов.
- Под кровельное покрытие каркас подвешивают, используя 12-миллиметровые шпильки.
- В угольниках предварительно просверливают отверстия под шурупы, которыми фиксируют панели.
Внимание!
Каркас не должен иметь перекосов, поскольку в противном случае из-за возникшего на поверхности стекла напряжения оно может просто лопнуть.
В завершение посмотрите, как выполняется установка солнечных батарей на практике.
Как правильно установить солнечные панели на земле. Как установить солнечные батареи
Как самостоятельно установить солнечные батареи для дома, дачи.
Если Вы решили установить солнечные батареи для обеспечения электроэнергией своего дома или дачи, то сделать монтаж батарей можно самостоятельно. Из этой статьи Вы узнаете, как правильно установить солнечные батареи, чтобы добиться максимально эффективной работы.
.
Инсоляция.
Инсоляция это мера солнечной радиации, которая измеряется по формуле — квтч/м²/сутки. Чем больше значение инсоляции, тем эффективней будет работать панель.
Чем меньше значение инсоляции, тем большая площадь поверхности солнечной батареи понадобится, что сгенерировать нужное количество энергии.
Узнать уровень инсоляции в Вашем регионе можно с помощью этой карты инсоляции.
Как установить солнечные батареи.
Устанавливать солнечные батареи нужно только на открытых не затенённых участках, где нет затенения от деревьев или рядом стоящих зданий. Нужно размещать панели так чтобы их поверхность максимально подвергалась солнечному свету и не попадала под затенение.
Варианты установки солнечных батарей.
Самый практичный выриант — установка на крыше или стене дома.
Если угол наклона ската крыши размещён в сторону юга и соответствует требуемому углу наклона солнечной батареи, то можно изготовить упрощённую конструкцию для крепления из алюминиевых профилей.
Панель крепится к конструкции, а конструкция уже крепится к каркасу крыши. Между панелью и поверхностью крыши нужно оставить зазор в 5 – 10см, чтобы снизить нагрев панели за счёт воздушного потока между панелью и поверхностью крыши.
Если поверхность крыши односкатная, то для установки панели под требуемым углом понадобится изготовить конструкцию из профильных труб или угольников 50х50мм или 25х25мм в зависимости от размеров панелей.
Вариант конструкции с регулируемым углом наклона для установки солнечных панелей.
Установка отдельно на штанге или на рамной конструкции.
Такой вариант требует изготовления опорной конструкции повышенной прочности с учётом парусности панелей при сильном воздушном потоке.
Солнечные панели при установке следует ориентировать строго на юг, только в этом случае можно получить максимум солнечных лучей которые падают под прямым углом.
Угол установки панелей относительно горизонта соответствует географической широте местности, если широта 60°, то и угол наклона панелей равен 60°.
Для наибольшей эффективности работы панелей, если позволяет установочная конструкция можно менять угол наклона, осенью увеличить на 15°, весной уменьшить на 15°.
То есть если панель установлена на 60°, зимой угол установки будет 75°, летом 45°.
Диапазон рабочих температур солнечных батарей от – 40°С до +50°С. Если температурные показатели превышают указанные значения, эффективность работы панелей снижается.
Чтобы снизить перегревание панелей нужно оставлять зазор не менее 5см между панелью и поверхностью крыши.
Обслуживание солнечных батарей.
Для эффективного использования солнечных батарей, требуется их периодически обслуживать. Обслуживание заключается в поддержании чистоты поверхностей панелей, очистке от пыли, птичьего помёта, снега. Наиболее удобный способ очистки панелей от пыли использование телескопической швабры и поливочного шланга с насадкой.
Срок эффективной службы панелей составляет около 30 лет.
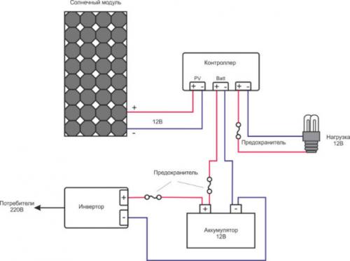
Здесь можно посмотреть схему подключения солнечной батареи к контроллеру, аккумулятору и инвертору.
Как установить солнечные панели на крыше. Материал кровли
Зависимость выбора набора креплений для солнечных панелей от кровельного покрытия следующая.
- Металлический профиль и металлочерепица – понадобятся стальные Г-образные уголки, лента из битума для прокладки и саморезы.
- Битумная черепица – применяются профили с широким основанием. 3. Керамика – зигзагообразные профильные элементы для прикручивания к обрешетке.
- Ондулин и шифер – в лаги на гребнях вкручиваются винтшурупы с прокладками из резины, а крепеж опорных реек кроме болтов осуществляется специальными захватами в реечных пазах.
- ПВХ и ЭПДМ – крепеж закупается как для черепицы, но не потребует сверления вспомогательных отверстий.
Важно! После установки всех панелей для крайних элементов в рядах используются концевые прижимы и болты M8*25, а для остальных модулей – более длинные M8*50.
Установка солнечных панелей на крыше: важные советы
Для установки солнечных панелей на крыше необходимо выбрать подходящий набор креплений, учитывая тип кровельного покрытия.
Выбор креплений зависит от материала кровельного покрытия:
- Металлическая кровля: для крепления используются специальные крепления для металлической кровли, которые обеспечивают прочность и надежность.
- Битумная кровля
- Теплосиликатная кровля: для крепления используются специальные крепления для теплосиликатной кровли, которые обеспечивают дополнительную теплоизоляцию.
- Другие типы кровельного покрытия: для крепления используются универсальные крепления, которые подходят для различных типов кровельного покрытия.
Важно! После установки всех панелей для крайних элементов в рядах используются концевые прижимы и болты M8*25, а для остальных модулей – более длинные M8*50.
Обратите внимание, что перед установкой солнечных панелей на крыше рекомендуется проконсультироваться с специалистами по установке и обслуживанию солнечных панелей.
Приведем краткий пошаговый алгоритм того, как монтировать солнечные панели на крыше.
- Очищаем и обезжириваем кровлю.
- Делаем разметку для кронштейнов. Стойки должны располагаться параллельными рядами, с расстоянием между ними 0,9 - 1,4 метра, в зависимости от размера модулей.
- Крепим рейки из оцинкованного профиля или анодированного алюминия (в зависимости от типа кровли используются разные кронштейны и способы их фиксации). Соединяем их между собой болтами и гайками М8. Проверяем правильность соединения элементов.
- Укладываем кабели под готовую конструкцию. Для надежности крепим их к внутренней части профиля хомутами из пластика.
- Монтируем прижимы для модулей.
- Поочередно укладываем панели и фиксируем их установленными прижимами.
Как установить солнечные батареи в частном доме. Что следует учесть на этапе проектирования?
Перед тем как установить автономную электростанцию, важно выбрать наиболее подходящее место для установки солнечных панелей, их тип и назначение. В соответствии с этими критериями определите параметры солнечных батарей и комплектующего оборудования. Если вы собираетесь использовать домашнюю электростанцию для выработки электроэнергии номиналом в 220 В, то вам понадобятся такие элементы:

Рис. 1: устройство солнечной электростанции
- Фотоэлектрический преобразователь – позволяет генерировать электрическую энергию из солнечного излучения посредством химической реакции. Характеризуются мощностью на 1м2площади, производительностью и типом. Общее количество выбирается в зависимости от нужд потребителя и планируемых объемов выработки.
- Аккумуляторная батарея – накапливает электрический заряд, получаемый от солнечной батареи для питания приборов в темное время суток. Поэтому емкость выбирается с запасом из расчета, что в пасмурную погоду заряд будет происходить значительно хуже.
- Контроллер заряда – осуществляет перераспределение электроэнергии от солнечных батарей к аккумулятору, а при достижении ним максимума, передает избыток во внешнюю сеть. При отсутствии такой системы, снижает электрическую мощность, поступающую на аккумулятор до минимума.
- Инвертор – предназначен для преобразования постоянного электрического напряжения, поступающего от фотоэлектрического элемента, в переменное, используемое в бытовых сетях. Они же позволяют владельцам солнечных батарей продавать избыток электричества от домашней электростанции .

Рис. 2. Принцип реализации солнечной электроэнергии
- Соединительные провода – осуществляют передачу электроэнергии по всей электрической сети солнечной установки. В зависимости от места расположения, к ним предъявляются различные требования, к примеру, прокладываемые на улице должны быть устойчивыми к воздействию внешних факторов.
Каркас для солнечных панелей своими руками. Монтаж батареи
Размеры рамы выбираются исходя из линейных параметров панелей. Горизонтальная ориентация или вертикальная – это зависит от специфики установки батареи, и принципиального значения не имеет.
На каркас крепится лист стекла или поликарбоната (только не ячеистого, а монолитного). Он выполняет защитную функцию, предохраняя фотоэлементы от механического разрушения.
На него, с внутренней стороны каркаса, наносятся капли силиконового герметика (по центру панелей), или он намазывается тончайшим слоем. Рекомендации по использованию смолы (эпоксидной) вряд ли заслуживают внимания, так как о ремонтопригодности батареи в этом случае говорить не приходится.

В раму укладывается расчетное количество панелей (сборка делается заранее). Одна дает напряжение порядка 0,5 В (небольшое отклонение номинала не в счет). Здесь важно не перепутать, где лицевая сторона изделий, а где тыльная.
Задняя часть закрывается мягким съемным матом. Для его изготовления своими руками можно взять поролон (4 см, как минимум) и пленку п/э. Соединяются ее кромки скотчем или спаиваются (если есть специальная машинка).

На этом работа не заканчивается. Между стеклом (поликарбонатом) и панелями останутся воздушные пузырьки, которые снижают эффективность солнечной батареи. Их необходимо удалить. Для этого на мат укладывается плотный материал. Например, фрагмент, подобранный по размерам каркаса, толстой (многослойной) фанеры.
Сверху – груз, вес которого достаточный, чтобы панели слегка придавить. В таком положении батарея оставляется на полсуток, не менее. Здесь следует ориентироваться на ее габариты и равномерность распределения нагрузки.

По истечении этого времени гнет, фанера и мат демонтируются. Сразу же крепить батарею по месту установки нельзя. Понадобится еще некоторое время, чтобы герметик окончательно просох.

Вместо мата можно использовать и иную мягкую подложку. К примеру, опилки, стружку.
Завершающий этап – изготовление задней стенки и ее постановка на место. Для этого берется ДСП, ДВП, фанера, но обязательно с той же подложкой, чтобы защитить панели от деформации.

